ARCHIVED FORUM -- March 2012 to February 2022READ ONLY FORUM
This is the second Archived Forum which was active between 1st March 2012 and 23rd February 2022
This BL 5000 I got nearly for free from Henrik (Square 4) in DK, The only visible failures I found upon opening it, was 2 leaking caps, bad lamps and a broken main switch
I changed the leaking caps and bridged the switch, powered up with my variac observing the 80 V supply, going slowly to 130 V no problems except for the failing lamps, checked the idle currents, no adjustment needed, connected speakers and my phone playing spotify, to phono (set to high) then tape and last aux, all playing good, but with some small distortion.
Its the first time ever that I could do this, with any of my other devices (BM 901, BM 1000, BM 2400, BM 4000, BM 4400, BL 5000) I had to do repairs before I could get them to play.. I was so impressed of this, that I let the BL play for 4-5 hours, checking for heat and voltage changes continuously, no problems, Took it to a party and let it play for 8 hours with 2 sets of speakers connected, no problems.
I wil change all electrolytic caps, lamps and some transistors known to give problems (the ones with TO 106 casing) after that I will check and readjust where needed, and change components where failures may occur.
Started with the big caps, first one out
2nd one out and negative wire marked, 3rd one ready to go
All out
Only one had started leaking, all 3 showed the double ESR resistance of a new one
I then started on the pcb¨s and got this far today
More to come
Collecting Vintage B&O is not a hobby, its a lifestyle.
Hi Søren,I'm glad to see you back at the workbench :-). I am following your Beolab and Beomaster 5000 restoration. I have a set of my own I hope to get to one of these days so document your progress well for me ;-).
-john
Hi Soren,
Isn't it GREAT when things go well? With the planned changes you mentioned, this BL will be in exceptional condition. (Like another one I might know a little bit about.)
Jeff
Beogram 4000, Beogram 4002, Beogram 4004, Beogram 8000, Beogram 8002, Beogram 1602. Beogram 4500 CD player, B&O CDX player, Beocord 4500, Beocord 5000 T4716, Beocord 5000 T4716, Beocord 5000 T4716, Beocord 8004, Beocord 9000, Beomaster 1000, Beomaster 1600, Beomaster 2400.2, Beomaster 2400.2, Beomaster 4400, Beomaster 4500, Beolab 5000, Beomaster 5000, BeoCenter 9000. BeoSound Century, S-45.2, S-45.2, S-75, S-75, M-75, M-100, MC 120.2 speakers; B&O Illuminated Sign (with crown & red logo). B&O grey & black Illuminated Sign, B&O black Plexiglas dealer sign, B&O ash tray, B&O (Orrefors) dealer award vase, B&O Beotime Clock. Navy blue B&O baseball cap, B&O T-shirt X2, B&O black ball point pen, B&O Retail Management Binder
Hi Jeff and John, good to see both of you here again.
If any one has an idea of how to fix the main switch please tell me, the switch riveted to the fiber board is broken inside and someone used excessive force trying to turn it on and broke the fiberboard, the fiber board is attached to a steel switch support carrying 4 switches, each secured with 4 bend steel pegs, 1 of these is broken so someone was in there trying to repair and gave up on it. As the mechanical part of of the switch assembly is working I am thinking of fitting a micro switch to the switch support, but to do that I will have to dismantle the whole chassis front to get at it, (still thinking about it)
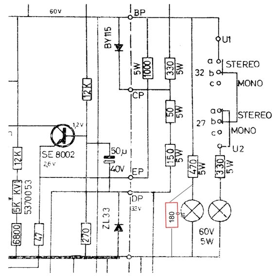
When I made the other BL Frede send me new 60 V lamps but also 4 pcs. 12V led lamps, I used the 60 V lamps and have since then been wondering how to change the 60 V feed to 12 V ???
I'm not understanding the lamp issue. On the first Beolab Frede sent you some 60V incandescent lamps plus some 12V LED lamps as in lamp assemblies? Are those LEDs with resistors attached?
When replacing incandescent lamps with LEDs there are a few things to take into consideration. First, make sure the circuit isn't relying on the properties of the incandescent lamp to work properly. In those cases you have to have an equivalent LED circuit to mimic the incandescent lamp properties.I usually stay with an incandescent lamp in that situation. Second, if the circuit is just for powering a lamp then an LED can be substituted but you need a load resistor to limit the current to the LED. This is sometimes a good thing. Recently on a Beomaster 1900 I replaced the incandescent lamps for the Bass, Treble and Balance indicator with LEDs. The original incandescent lamps get quite hot and damaged the special Beomaster 1900 plastic display mask. The LED replacement lamps run way cooler so the new display masks I installed should last a lot longer. Third, LED replacement usually means the light intensity and color could be different. So that must be taken into account. Beolover has done some interesting things with light color mixing to come up with LED replacements that match the original incandescent color.Can you provide more information on the original lamp circuit you are replacing the lamps on and more information on the LEDs Frede sent you?
The leds are with the same socket as the incandescent lamps, the leds are marked AC/DC 12 V, measuring resistance on the leds shows open circuit
It looks like you have 60V to ground across a resistor and a lamp then. Two lamps in the diagram. One with a 470 ohm resistor in series, the other with a 330 ohm resistor in series. So there is around 128mA and 182mA of current going through them. LED emitters are typically in the 20mA to 50mA range for current capacity so you would have to lower the current with another series resistor. I couldn't find any through-hole, LED emitters that have a maximum forward voltage of 60V though. 12V is very common. I have never installed an LED replacement in your situation. In situations I have swapped out an LED for an incandescent lamp the voltages were in the 5V to 15V range. You might have to put in a divider to lower the voltage on the LED. In this case though I would try to get another 60V incandescent lamp first and resort to an LED substitute as a last resort. Martin can't supply you with the lamp? What type of socket do the lamps require?
The socket is an E10 screw socket, I will order lamps from Martin, but I have been wondering since Frede send me the leds, I will continue wondering
I looked on Grainger and could only find a bayonet socket miniature lamp at 60V.
I have been playing around with ohms law, if I put a 120 ohm resistor between the 470 ohm and ground I should get 12 V to the lamp, the 470 ohm is a 5 W should then the 120 ohm be the same or both higher, I am not going to do it, just checking
You have to determine the current going through the resistor and determine the wattage for the resistor that way.
I was looking up other things about substituting LED emitters and the voltage they can actually handle. The important thing is the current through the emitter so you would need to add a series resistor to the existing resistor to get around 3000 ohms. You could just replace both of those existing resistors to be something over 3000 ohms.
The voltage drop across the LEDs will be around 1.8V so I think a series resistor to limit the current is all you really need to worry about.
Are the LED lamps that Frede gave you also in a screw type base?
sonavor: You have to determine the current going through the resistor and determine the wattage for the resistor that way. I was looking up other things about substituting LED emitters and the voltage they can actually handle. The important thing is the current through the emitter so you would need to add a series resistor to the existing resistor to get around 3000 ohms. You could just replace both of those existing resistors to be something over 3000 ohms. The voltage drop across the LEDs will be around 1.8V so I think a series resistor to limit the current is all you really need to worry about. Are the LED lamps that Frede gave you also in a screw type base?
Yes same screw type, tomorrow I will make a small drawing with my divider
I am thinking that you don't need the divider. Just have the series resistor in each lamp circuit be 3KOhm for the LED. The voltage drop across the LED will probably be 1.8V so the drop across the resistor will be 58.2V. That puts the current through the resistor (and LED) at around 19mA. Maybe Frede has the specs on that LED he gave you. It may handle higher current that the typical LED emitter.I always bench test my LED circuits first before going to the trouble of installing them. I want to make sure the load resistor is right and see how bright the LED is (compared to the original incandescent lamp). If it is too bright you might want to bring the current down some more. If it is too dim at 19mA then you might want to get a brighter LED. For the bench testing I have a couple of these power supplies. They are nice because they have current limiting and go up to 60V. I bought two for bench testing the Beomaster 8000 output amplifier assemblies outside the Beomaster.
I was thinking about something like this
Apart from reading about voltage dividers and getting up to date on my oscilloscope I also got some work done.
2 of the pcb´s finished with caps, here one of them
Also started on changing some transistors
I have been wondering about the discoloration on some of the caps, and checked some of them with my ESR, the discolored showed the double resistance and more than a new cap, the not discolored less so
Got the big caps in place,,Tomorrow Denmark is going to beat France at soccer, so I wont do much tomorrow
On PCB 001 some caps, still missing 2 pcs. sitting in a difficult location
Chassis front off, slide potentiometers cleaned, on the tracks I applied a conductive grease, on the shafts a roller bearing grease
Its a lot easier to get at the 2 caps between the switches this way
May I share experience using conductive grease on those potentiometers?
I tried many type of conductive greases and lubricants (Deoxit faders, D100) without much success and ended with Deoxit D5.
Problem? When I was moving the slider, even at slow speed, I was getting an horrible scratchy noise on both channels. After many trial and errors, only D5 was OK. Why? When the lubricant viscosity is too high, the carbon dimples are sort of "aquaplaning" on the carbon track surfaces resulting in that noise.
Check with an analog meter set to resistance and see if the needle is moving smoothly and gradually. If the needle is going nuts bouncing everywhere, look no further.
Keep the good work!
I have used this grease before and until now no problems, will check later, had to put the BL aside, waiting for parts from Mouser.
What grease is that if you don't mind sharing? Thanks!
Beo_Jean: What grease is that if you don't mind sharing? Thanks!
Here a pic, I bought it on Amazon US about a year ago, only used it on a BM 2400 1 year ago, and no problems, and on this BL playing some 10 hours, no problems, the question is how it will behave after 5 or more years (dry out)
Thank you for sharing this with me Soren,
Funny that I'm using the non hardening white grease from the same company for the pot slider rods but never saw they had the one you are using for the carbon tracks. They say it is silicon based so technically it shouldn't harden...
Ran into some problems here, after changing all electrolytic caps and some trimmers, I can adjust the idle current to 6 mV in the right channel but left channel shows 12-14 mV with trimmer at max.
Soren
I have just embarked on this exercise myself....opened up Peter's BL5000 last night for a quick look inside. Will start posting pics and include commentary shortly, now that we have no active part in the world cup I will have more time on my hands ;¬)
Found the failure, kind of a mystery, I checked the amp before starting the restore, I had it it playing at a party for 8 hours without problems, before the party adjusted the idling current to 6 mV in both channels without problems, it was a little high in both channels, after the party before starting changing caps I checked again and steady on 6 mV, after changing caps I checked again and the left channel showed some 20 mV could adjust it down to 8-9 mV, right cannel still 6 mV, As I have made failures before I checked all the caps for polarity and size, no problems, changed the trimmer for the idle current, still the same, started checking resistors, where I didnt get a clear reading I cross checked with the right channel, came to the 470 ohm trimmer resistor, it showed 555 ohms, checked the right channel, 472 ohms, The color marking on the resistor showed, as far as i could see, 550 ohms, so someone has been in there, I changed it with a 470 ohm and voila there it was, idle current "0" V, adjusted to 6 mV and trimmer was nearly in the middle, after 15 min. it was up to some 8 mV, adjusted both channels again to 5.5 mV and they stayed there for another 15 min.
Tomorrow I should get some new TRs, I intend to use 2N5320 for the 37741 tell me if thats OK
I also used the 2N5320 as the replacement.
Beo_Jean: I also used the 2N5320 as the replacement.
Thanks Jean, seams like you, I and Craig are the only ones left in the workbench forum. I changed all the TRs, except for the 37740 (didnt find a good replacement, still searching) in the left channel and vent on checking all the resistors that was changed before I got the unit (different color as the originals) all OK.
I then connected a software signal generator, 1 kHz 2.5V from my laptop and my Owon oscilloscope, tried to get a readable signal but no such luck, last time I used it i had no problems, it was on my BM 4400, maybe I forgot how to use it. I then played some music from the laptop, good sound no problems, hooked up the BM 5000, found some good stations and no problems, everything is working, treble, bass, balance, filters and loudness, channel separation better than my BM 4400, sound more clear in the highs and more distinctive bass (small differences) this with the BM connected.
Tomorrow I will change all the rest of the TRs, also in the preamps, and then check it all again, I have read hundreds of pages about Oscilloscopes and signal generators but somehow I dont get it, maybe I am too stupid
Søren Mexico: Thanks Jean, seams like you, I and Craig are the only ones left in the workbench forum.
Thanks Jean, seams like you, I and Craig are the only ones left in the workbench forum.
I am still here on the forum quite a bit. I have just been too busy with other people's restoration projects to work on any of my own. Maybe one of these days I will get back to some of my projects. For now I will just enjoy and soak up the information you are providing.
-John
sonavor: Søren Mexico: Thanks Jean, seams like you, I and Craig are the only ones left in the workbench forum. I am still here on the forum quite a bit. I have just been too busy with other people's restoration projects to work on any of my own. Maybe one of these days I will get back to some of my projects. For now I will just enjoy and soak up the information you are providing. -John
Same here.And I am trying something new, - something I haven't tried for decades. Taking some time off.
Martin
For me however it's projects on a larger scale right now, I'm replacing the body panels on my 17yr old BMW Z3....not as daunting as it sounds as all the panels actually bolt onto the subframe.....I have Peters BL5000 and Mr Roasts Beogram 4000 awaiting my pleasure when I have finished the task, it's a break from staring at circuits and puzzling over B&O engineers imaginative solutions..........Soren have to checked your scope probe?.....I'm sure you have but I have had one go bad.
Craig
Soren, I took the 2N5322 as replacement fo the 37740
Great to see the attention to details on such a classic B&O product.
Way to go Søren
Hi all,
Still here too!
Not many beoprojects these days though... my collection is however on permanent display of course and a joy to behold. I might have a couple of Beomaster 8000’s to fix when my health is a bit better (back issues, so these monsters can’t be lifted at the moment).
Everything I’ve worked on is still working and the vintage B&O main system is in use every single day.
I feel I have to tell you guys that my 100% original, on its old caps and semiconductors Beolab 5000 amplifier still works admirably.
Jacques
Glad to see the that you are all there, Jacques take care of your back, have the same problem one wrong movement and I am down for at least a week.
John I know you are there always, Martin enjoy but come back soon we need you here.
Craig:Soren have to checked your scope probe?.....I'm sure you have but I have had one go bad.
I have 2 probes, both OK,t I send a square wave signal from my comp, 1 kHz at 2-3 or 4 V to phono (on high) connect the oscilloscope to OL + and OY - and get a low saw tooth like signal in both channels, volume on 3-4, changing the volume makes no difference in the signal, connect osc, to ground (chassis) and probe to OL or OR, same signal, probe to any TR no change. with speakers connected the signal comes through clear and with no hums or other noises, playing music from comp. or BL no problems, Speakers 1 and 2 same same
if the sound is fine you should try to connect your OWON parallel to the speakers and increase the sensitivity. Now you should see the analog signal, variable by the volume. Reducing the volume to '0' should give a srtaight line on the scope.
You said you get kind of a sawtooth signal shown when you connect the scope and the PC (signal generator). This normaly happens when there's no ground connection of the scope, but the signal tip is provided with some signal.
You should get the same display when you disconnect your scope probe from the beolab and just touch the tip of the probe, depends on the selected sensitivitiy on the scope ( for example 0.5V / cm ).
I hope this helps.
Ralph-Marcus
Thanks Ralph, I will dig out the Osc. manual and start from the beginning, will post some pics about how and where I measure and pics from the Osc. screen, appreciate your help as always.
My plan is to learn to operate the Oscilloscope properly on this BL, and then proceed to the BM and learn how to on the tuner, I used it on the BM 4400 the first time and got it working out of the box.
After a couple of days working with what i am best at, printing machines, now back to the happy amateur hobby.
I am concerned about the difference between Left and Right channel pre amps, Left shows 22 mV out from pre amps, and Right channel more "noisy" and only 12.8 mV, Which gives speaker out difference Left 1.92 V, Right 1.02 V , I had the balance in "0" from the look of it.
I would like comments from the experts, as I have no idea what so ever how to interpret the signals
Oscilloscope connected direct to the signal generator
Signal generator set to 1 kHz, 0.5V and square wave
Osc. connected to YL (left channel) after the preamps (volume) volume set to max,
Speaker 2 Left
Speaker 1 Left
Right channel YR looks more noisy than the left
Speaker 2 Right
Speaker 1 Right
Awaiting your comments
I solved the bad main switch with a micro switch 250 V 10 Amp
I then assembled it all, will order new fronts for the BL from Frede, my son will be visiting from DK in September and will bring lamps and several small items and if I get the fronts these too.
Awaiting comments on the oscilloscope pics I will put it to work until September
Here the BL/BM happy together
Found the the failure of the difference between right and left channel, stupid, forgot to adjust the input trimmers, now playing with same volume right and left, still waiting for comments on the oscilloscope pics