Sign in   |  Join   |  Help
Untitled Page

ARCHIVED FORUM -- March 2012 to February 2022
READ ONLY FORUM

This is the second Archived Forum which was active between 1st March 2012 and 23rd February 2022

 

Beomaster 5000 failed amplifier section

rated by 0 users
This post has 18 Replies | 0 Followers

Jeffrey P Brooks
Not Ranked
United States
Posts 63
OFFLINE
Silver Member
Jeffrey P Brooks Posted: Wed, Nov 24 2021 6:10 AM

I have been struggling trying to get one working Beomaster 5000 working out of 3 non-working receivers.

Two of them had failures in the PC board in the same trace leaving the rectifier.  Must have been a design flaw in the PC board.

After repairing these, and finding what I thought were 4 good BF857 (TR108/208 and TR109/209) and four good Darlingtons (BDV64B and BDV65B) I had a spectacular failure which blew the lid off of the BDV65B on the right channel along with a nice puff of smoke.

I removed all 4 Darlingtons and am focusing on getting all the DC voltages correct before trying some new parts.  I put some test wires in the base of each of these transistors.

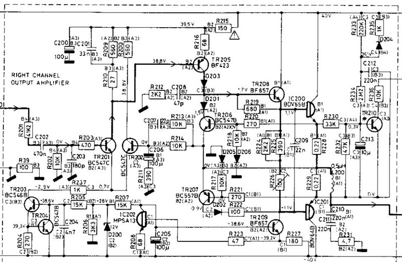
Currently moving left to right, I'm measuring -40.6V, -40.8V, -40.8V and -40.8V on the base of the 4 Darlington transistors.

I also measured the collectors of the 4 BF857 and come up with 40.6V, -40.8V, 40.7V and -40.9V.

The only measurements that make sense are the 40V measurements on two of the BF857s as they have collectors wired directly to the 40V power rail.  The others should measure -1.1V (same as the base of the BDV64Bs).

So the base voltage for all 4 darlingtons is about -40V when it should be around -1.1V.  In other words, way off.

Does anyone have a suggestion of where to look for this?  Both channels seem to behave the same way.

Jeff

Dillen
Top 10 Contributor
Copenhagen / Denmark
Posts 13,191
OFFLINE
Founder
Moderator
Dillen replied on Wed, Nov 24 2021 6:30 AM

You cannot measure voltages without the components installed.
When you powered it up, did you monitor the idle current(s)?

Martin

Jeffrey P Brooks
Not Ranked
United States
Posts 63
OFFLINE
Silver Member

Yes, I did adjust the idle trimmers when I started out.  And more recently, I replaced them both because they were original.  The fact that the right channel BDV65B just exploded last time I had it all put together has me nervous about trying it again so I'm going slow.  Can a bad transistor result in this kind of excitement or is it more likely a voltage condition going into a formerly good transistor?

These darlington transistors are a bit strange since it looks like they have a resistor path between the base and emitter so I'm not 100% confident have have a set of 4 good ones to put in!  

Dillen
Top 10 Contributor
Copenhagen / Denmark
Posts 13,191
OFFLINE
Founder
Moderator
Dillen replied on Fri, Nov 26 2021 6:23 AM

Don't get me wrong, but repairing amplifiers like this can some times give even trained and skilled tech guys a good run for their money.
It's not a task for a beginner, and from what you tell us, the terms you use and your working methods, I would say you are not the one to do this repair.
And I say that bearing the greatest respect for DIY'ers.

It could be bad darlingtons, it could be wrong idle current setting(s), it could be a heavy DC introduced somewhere in the amplfiier.
You will need some instrumentation - and not least a good amount of experience to do a repair like this.

Martin

sonavor
Top 25 Contributor
Texas, United States
Posts 3,732
OFFLINE
Bronze Member
sonavor replied on Fri, Nov 26 2021 2:32 PM

Another thing to consider...
The circuit boards on the Beomaster 5000 (type 2323) are rather delicate. Too much heat when de-soldering can easily cause traces to lift and break. You mentioned using spare parts from other Beomaster 5000 units so it sounds like you purchased several used condition units.  You won't know the history of those boards regarding what other people have tried on those boards before you got them. I would go over all of the traces with a magnifier looking for lifted traces, solder bridges and previous repair attempts. 

Keep in mind that when the receiver was new it was perfect from the factory.  Years later it has failed either due to aging parts (components out of tolerance), some catastrophic event or a combination of both.

-sonavor

chartz
Top 25 Contributor
Burgundy, France
Posts 4,171
OFFLINE
Gold Member
chartz replied on Fri, Nov 26 2021 3:08 PM
Sorry but your measurements aren’t very useful. What knowledge do you have of electronics? How far can you go?

I don’t really see the point of swapping boards around. Each of them could be fixed!

As John says, ageing is the real issue and none of these boards will be up to specs or even working properly – that’s impossible!

Plus what was done on them – failed repair attempts? – is indeed a source of further problems.

Jacques

Jeffrey P Brooks
Not Ranked
United States
Posts 63
OFFLINE
Silver Member

Appreciate the advice and I appreciate the challenge.  As has been pointed out, the boards are fragile and the traces lift and I had a few places I had to repair to get things to the state they are in.

But now I have two amplifier boards with all visible issues repaired with darlington's removed and 3 out of the 4 channels measuring the same DC voltage everywhere I measure with my scope.  I'm going to make the wild assumption that 3 are all "good" at this point since they all behave the same way with an outstanding issue on the 4th channel.

When a new set of darlington's arrive, i'll take the gamble on one (or both) of the boards.  Fingers crossed, because if this fails I will be packing it in!

Jeffrey P Brooks
Not Ranked
United States
Posts 63
OFFLINE
Silver Member

Well a few evenings finally paid off and I have a working Beomaster 5000.  There were several problems, many of which I assume are common with these.

I had two places on the board where previous excitement had burned traces.  One was right off one of the rectifiers and the second one was on the trace that works its way up the right side of board 2.

Some of the foils around the BF857 transistors were broken, presumably from the transistors wiggling back and forth.

I took out all 4 BF857s.  One of them had a short it in and I replaced all 4.  Looking at the PC board, several of the foils around these transistors had lifted because I think this part of the board gets warm in normal operation.  More short wire repairs to double-check all 12 connections and continuity testing to make sure they were in the right place.

Now I installed 4 new darlingtons and set the no-load current to 11mV with new trimmers I had installed.  It powered up, and the left channel worked.  Right was dead.  I traced the signal path and found that TR204 was shorted so TR203 wasn't firing the signal.  In addition, TR201 was not passing on proper voltages so I removed it.  It tested as a functional transistor, but the HFE reading was way less than its partner TR202.  So I replaced the pair.  Now I had a signal all the way through and the right channel was fixed. Woo hoo!

I recapped the amplifier board since I now had it working and replaced the relays on the pre-amp board and the amp board.

Sadly, the remote didn't work and I couldn't find 34 volt on the IR board.  This fault was traced back to an open 100 Ohm resistor in the rectifier circuit (R6) on the amp board.  When I replaced this I had the proper voltage and my remote worked as it should with one exception - the mute key doesn't seem to work.

I tried the mute function on the front panel and that doesn't work either.  Pushing the Mute side of the front panel and holding it does shut the receiver off. Plugging in the headphones does trip the mute relay and shuts of the main pair of speakers.

Digging into the mute circuit now to try to figure it out.  Or, I may just put it back together and call it "99.5% good"!

 

sonavor
Top 25 Contributor
Texas, United States
Posts 3,732
OFFLINE
Bronze Member
sonavor replied on Wed, Dec 15 2021 6:03 PM

Did you take out and test the muting relay?

-sonavor

Jeffrey P Brooks
Not Ranked
United States
Posts 63
OFFLINE
Silver Member

Both relays are new replacements I bought from Dillan.  The mute relay does fire when I plug in the headphones.  It is just not responding to the toggle relay command from the front panel or from the MCP.

I'm looking for a testpoint on the pre-amp board where you might see a voltage change when either of these events happen.  The schematic is hard to read in this area.  There are several places that show two voltages for the "muting" logic, but it is not super clear where these are to be measured.

sonavor
Top 25 Contributor
Texas, United States
Posts 3,732
OFFLINE
Bronze Member
sonavor replied on Thu, Dec 16 2021 3:41 PM

PCB 3, TR2 transistor base would be one to monitor (B92 to C92).  Or PCB 4, IC1 pin 38.
As you have discovered it isn't a real mechanical switch.  It is a pushbutton that the IC1 on PCB 4 has to detect (along with other control panel/remote control pushbuttons).  IC1 controls the sending of the mute signal.

Since the mute isn't working from the front panel and the remote then start from the mute pin out of IC1 pin 38 and trace it to PCB 3 TR2.  

-sonavor

Jeffrey P Brooks
Not Ranked
United States
Posts 63
OFFLINE
Silver Member

Thanks for the tip Sonavor.

Looking at PCB3 and the base of TR2, i read no voltage and I see no effect when pressing the mute button on either the front panel or MCP remote.  It does jump to ~3.5V or so when the unit is turned off (and is in stand-by mode).

So I started to look at PCB4.  Pin38 also reads 0V and is steady when either mute method is attempted.

Then I looked at the mute signal coming into PCB4 from the outside world.  This comes in in pin 24 of IC1.  This pin reads 5 volts, but when I press the mute button on the front panel, I see a 2ms pulse to 0V and then back to 5V.  So a digital signal is being sent to IC1.

Since I have a parts unit, i tried simply swapping PCB4 and the unit behaves exactly the same.  Remote works well as far as I can tell except for the mute function. Pin 24 of IC1 will display the same 2ms pulse to 0V when you press it the front panel mute.  Pin 38 (and the base of TR2) both show 0V and no effect when pressing mute.

Both PCB4s have now been recapped, but they showed the problem before and after.

I'm stumped!

sonavor
Top 25 Contributor
Texas, United States
Posts 3,732
OFFLINE
Bronze Member
sonavor replied on Sat, Dec 18 2021 4:23 AM

Along with Mute pin 24 handles FM Mono, Open and Select.  Do those other functions work?

I haven't had to dive into that area of a Beomaster 5000 I'm afraid.
Most of the time problems like this are related to a connector or wiring problem.  Especially when two different PCB4 units have the exact same problem.

Look at P26 and check that it is good.

-sonavor

Jeffrey P Brooks
Not Ranked
United States
Posts 63
OFFLINE
Silver Member

pin 24 seems to be doing its thing.  Open works, select works and so does FM Mono.   Only the mute function fails.  Also took a look at P26 and it looks good.  Also, i was doing all my measurements from the back side of P26 where the solder bumps live on PCB 4.

The only thing I can think of is that my digital pulse to tell IC1 to mute may not be long enough for some reason.  I have no idea what the spec is for this, but my pulse seems to be about 2ms long as measured on my scope (this is the pulse when it drops from 5V to 0V on pin 24).  Maybe the IC needs a longer pulse to pass along a mute toggle?

Jeffrey P Brooks
Not Ranked
United States
Posts 63
OFFLINE
Silver Member

Looking at this a bit more, if I press and hold the "mute" function, a series of digital pulses can be observed on pin 24 and they shut the unit off, which is the way the thing is supposed to behave.

So is it IC1 that has the smarts to decide if I'm holding the button down briefly (maybe only one or a few digital pulses) or hold it down for enough pulses to shut down?

If "yes", then it is most strange that I have two PCB4 boards that behave the same.

And if anyone knows, what is the series of events the MCP should make happen when toggling "mute" ?

sonavor
Top 25 Contributor
Texas, United States
Posts 3,732
OFFLINE
Bronze Member
sonavor replied on Thu, Dec 23 2021 9:26 PM

It is difficult to say for sure as I haven't ever measured the audio mute signal of the Beomaster.  The service manual does show a 0V to 3.8V to 0V pulse of 300ms on what appears to be the P12-3 (C92 reference on Diagram B) to 3R6.  That is the audio mute signal to PCB 3.  The other end of the cable (reference B92 on Diagram C) goes to 4IC1-38 volume mute.  

Check the muting pulse on those points using both of your PCB 4 boards and see what you see there.

-sonavor

Jeffrey P Brooks
Not Ranked
United States
Posts 63
OFFLINE
Silver Member

I think I've finally figured out why I can't get the "Mute" function to work.   I tried a different pre-amp board (which has other problems due to a dose of DC current) and it worked with the mute logic.

So the problem I was seeing was on the pre-amp board.

I eventually figured out that the mute signal is sent into IC5 through the serial data line on IC5 pin 22.  I can put that on the scope and see the change when you press and release the mute button.  So the signal is working and getting into the integrated circuit.  I see this on both the working and non-working pre-amp boards.

The mute signal to the relay is supposed to be a voltage change that comes out of IC5 on pin 39 going from something like .1V to .8V (hard to read on the schematic).  The working IC5 does this and you can measure the voltage that gets sent to the base of TR7.  The non-working pre-amp board does nothing with the mute signal on pin 39.  Voltage is zero either way.  So I think the issue I have is with IC5.

Unfortunately, this is a 40-pin integrated circuit and is not socketed.  I don't think I'm brave enough to move the working IC5 from one pre-amp board to the other to get a fully functional Beomaster 5000...  I somehow think the most likely outcome of the attempt is that I go from a almost completely working Beomaster 5000 to a non-working Beomaster 5000!

Fun excercise.  Would have been more fun if i could have finished it!  Thanks for the encouragement and help!

sonavor
Top 25 Contributor
Texas, United States
Posts 3,732
OFFLINE
Bronze Member
sonavor replied on Thu, Dec 30 2021 4:22 AM

Send me a PM via the forum and we can arrange something.  If you send me the boards I can swap the IC for you.

-sonavor

Jeffrey P Brooks
Not Ranked
United States
Posts 63
OFFLINE
Silver Member

Thanks for the offer Sonavor.  I decided to repair the pre-amp board with the working IC5 and I managed to get a fully functional Beomaster 5000.  Sounded great.  Played it for a few hours.  Was happy to be done with it.

But the story doesn't have a happy ending.  The next day, after being plugged in all night and on standby (like you would normally do with it), I tried to start it with the remote again.  Nothing.  Nothing from the control panel either.  And the heat sink, particularly the right-hand side of things was very, very hot.

So something is haywire on the amp board and i'll have to start chasing voltages all over again!  If I never see another one of these, it will be too soon!

 

Page 1 of 1 (19 items) | RSS