Sign in   |  Join   |  Help
Untitled Page

ARCHIVED FORUM -- March 2012 to February 2022
READ ONLY FORUM

This is the second Archived Forum which was active between 1st March 2012 and 23rd February 2022

 

Beogram 5000 turntable wiring issue

rated by 0 users
This post has 12 Replies | 0 Followers

EKM
Not Ranked
Posts 8
OFFLINE
Bronze Member
EKM Posted: Fri, Dec 24 2021 8:36 PM

Hello, B&O community,

Recently I get Beogram 5000 turntable in good condition... Except wiring! The previous owner brutally chopped wiring...My plan is connect all back to DIN connection.But I do not know which wire is responsible for.Can somebody point me the correct way how all should be connected?

chartz
Top 25 Contributor
Burgundy, France
Posts 4,171
OFFLINE
Gold Member
chartz replied on Fri, Dec 24 2021 8:40 PM

Oh dear. 

Jacques

EKM
Not Ranked
Posts 8
OFFLINE
Bronze Member
EKM replied on Fri, Dec 24 2021 9:04 PM

Exactly! Never understood that type of owners.They buy good peace of equipment, but can get simple DIN to RCA connectorAngry

Johan
Top 200 Contributor
Bolsward, NL
Posts 450
OFFLINE
Gold Member
Johan replied on Sat, Dec 25 2021 1:36 PM

Hello EKM,

Have a look at these threads for BeoGram signal cable wiring

https://archivedforum2.beoworld.org/forums/t/8723.aspx

https://archivedforum2.beoworld.org/forums/p/19979/164930.aspx#164930

https://archivedforum2.beoworld.org/forums/t/39007.aspx

as far as I can see (with some contradiction for the red and white wires) these are saying:

yellow to pin 7 (datalink)

red to pin 5 (right channel)

white to pin 3 (left channel)

shields of both red and white to pin 2 (signal ground)

black to the plug's outer casing (ground)

(pins 1,4 and 6 are not used)

the blue wire seems to be present in these cables but not used.

See also here the wiring schedule for a datalink cable (to be sure about the pins and their function / ignore the wire colours) https://www.beoworld.org/beotech/misc1.htm. And be sure not to mix solder and plug side :-).

Hope this helps (and indeed it would have been more elegant to use an adapter cable).

Good luck, Johan

 

EKM
Not Ranked
Posts 8
OFFLINE
Bronze Member
EKM replied on Sat, Dec 25 2021 6:23 PM

Thank you,Jonah,

All seems OK, except PIN 7- how I understand it is for DATALINK ( yellow).But in manual for my Ouverture it's stated that PIN 6 is for DATALINK, but PIN 7- not in use.Confused

Any suggestions? 

EKM
Not Ranked
Posts 8
OFFLINE
Bronze Member
EKM replied on Sat, Dec 25 2021 6:23 PM

Thank you,Jonah,

All seems OK, except PIN 7- how I understand it is for DATALINK ( yellow).But in manual for my Ouverture it's stated that PIN 6 is for DATALINK, but PIN 7- not in use.Confused

Any suggestions? 

Johan
Top 200 Contributor
Bolsward, NL
Posts 450
OFFLINE
Gold Member
Johan replied on Sat, Dec 25 2021 6:34 PM

Hi EKM,

That is confusing indeed! Maybe someone with more experience can join in here. Sorry for not having a better christmas gift Embarrassed

Johan

EKM
Not Ranked
Posts 8
OFFLINE
Bronze Member
EKM replied on Sat, Dec 25 2021 7:25 PM

All fine. I hope more members will join and we will find correct solution.

By the way to all members: HAPPY MERRY CHRISTMAS! STAY HEALTHY AND WEALTHY

Søren Mexico
Top 10 Contributor
Mexico City
Posts 6,411
OFFLINE
Bronze Member

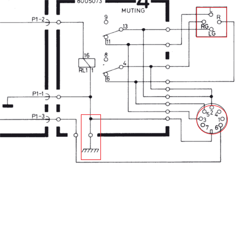
From the drawings for BG 5000, datalink is connected to pin 6

 

Collecting Vintage B&O is not a hobby, its a lifestyle.

Johan
Top 200 Contributor
Bolsward, NL
Posts 450
OFFLINE
Gold Member
Johan replied on Sun, Dec 26 2021 9:33 AM

Søren, that is indeed the case! I also checked the service manual of 5500/6500/7000, and there Datalink is on pin 7. Weird, but hey this is B&O right. Smile

So (for others researching this thread n the future) the right wiring for the BeoGram 5000 DIN plug is then:

yellow to pin 6 (datalink)

red to pin 5 (right channel)

white to pin 3 (left channel)

shields of both red and white to pin 2 (signal ground)

black to the plug's outer casing (ground)

(pins 1,4 and 7 are not used)

the blue wire seems to be present in these cables but not used

Johan

 

EKM
Not Ranked
Posts 8
OFFLINE
Bronze Member
EKM replied on Sun, Dec 26 2021 9:44 AM

Thanks for information.

After compering Beogram 5000 with Ouverture schematic the DIN connection is:

1-4-7- not in use; 2- left ground+ right ground; 3- left channel in ( white wire ); 5- right channel in ( red wire); 6- datalink ( yellow wire ). Only question remains: what should be connected to PIN 2- black wires or white and red wire shielding wires?

EKM
Not Ranked
Posts 8
OFFLINE
Bronze Member
EKM replied on Sun, Dec 26 2021 9:48 AM

Hi,Johan,

Just saw your comment.Thanks! The question regarding PIN 2 connection is closed!

Guy
Top 50 Contributor
Warwickshire
Posts 2,590
OFFLINE
Gold Member
Guy replied on Sun, Dec 26 2021 10:19 AM

EKM:

All seems OK, except PIN 7- how I understand it is for DATALINK ( yellow).But in manual for my Ouverture it's stated that PIN 6 is for DATALINK, but PIN 7- not in use.Confused

From an old post about datalink by Peter:

Tape and CD use pin 7, Phono uses pin 6 except when the record player has a built in RIAA when it too uses pin 7. However TV/AUX uses pin 6 as well just to complicate things.

EDIT: Here's the link: https://archivedarchivedforum2.beoworld.org/forums/p/25371/193191.aspx

 

Page 1 of 1 (13 items) | RSS