Sign in   |  Join   |  Help
Untitled Page

ARCHIVED FORUM -- March 2012 to February 2022
READ ONLY FORUM

This is the second Archived Forum which was active between 1st March 2012 and 23rd February 2022

 

Beomaster 4000 Tuner issue

rated by 0 users
This post has 5 Replies | 0 Followers

andreis2009
Not Ranked
Posts 8
OFFLINE
Bronze Member
andreis2009 Posted: Sat, Mar 11 2017 5:01 PM

Hi to all Beolovers!

I've got a nice Beomaster 4000 being restored now. One channel was dead and the volume was very low in the other. I have diagnosed with my diy signal tracer and changed the faulty MJ2501 output transistor and all the electrolytic capacitors on the output board. And now I can hear a nice piece of B&O sound, wow what a nice sounding receiver it was!

However I got a problem with the tuner not working at all. When I press the FM button or other programmed buttons, there's only silence. All the connections seem to be OK. Can anyone give me a hint what to check in the first place?

andreis2009
Not Ranked
Posts 8
OFFLINE
Bronze Member

OK, after another inspection I found the bad connection of the wires coming from the tuner board, after resoldering them, I have now sound (the FM hum) coming from the speakers. Tuning scale doesn't help and it cannot catch any station, just hum, so I continue to inspect the item.

Søren Mexico
Top 10 Contributor
Mexico City
Posts 6,411
OFFLINE
Bronze Member

Welcome to the forum, keep them coming

Collecting Vintage B&O is not a hobby, its a lifestyle.

andreis2009
Not Ranked
Posts 8
OFFLINE
Bronze Member

So...finally the device is working properly now.

Here's a small report of what I did for those who may be interested.

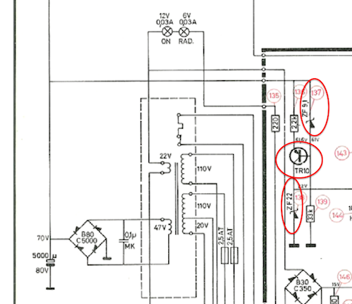
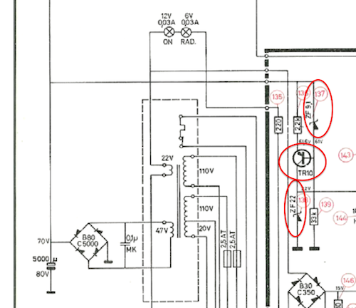
As I said earlier, the tuner didn't work at all, I just heard static hum from the speakers and couldn't catch any station, so I assumed something was wrong with the tuning voltage and started checking the voltages with my multimeter starting from the entrance to the tuner PCB. Luckily, the problem was diagnosed very fast. As I read here on the forum, the first thing to check here was the TR10 transistor, which was blown, I have changed it with the equivalent modern one.

This had no impact, since the voltages were very high on the emitter, base and collector of TR10, I don't remember exactly, but something around 140V. So, I assumed something was wrong with the Zener diodes close to it. The diode 137 (which is a ZF 9,1V, 1W, BZX55C9V1 Zener diode) was checked with my meter and was defective, so I exchanged it with the equivalent modern one 1N5239. 

The problem remained and that's when I found out the completely blown 138 diode (which is a ZF22V Zener diode):

I have changed this one with the equivalent modern one 1N4748A, 22V, 1W diode.

I turned on the BM4000 and...now I can listen to any FM station I want... finally :)

The device is working properly now with all the bulbs and switches completely in order, I will now refurbish the outer look a little bit and enjoy my NOS Beomaster 4000. 

Thanks for reading and thanks to the Beoworld forum for some good advice which helped me!

Here are the faulty items which I changed:

P.S. does anyone know why the ZF22 diode was screwed (or covered?) to the ground of the metal case? Now everything is working properly, I doubt I should do the same with the new diode...

Dillen
Top 10 Contributor
Copenhagen / Denmark
Posts 13,191
OFFLINE
Founder
Moderator
Dillen replied on Thu, Mar 30 2017 11:15 AM

andreis2009:

P.S. does anyone know why the ZF22 diode was screwed (or covered?) to the ground of the metal case?

Yes.
The diode maintains a steady tuning voltage.
Any drift in voltage will cause a drift in tuned frequency and you would have to move the tuning slightly every 2 minutes or so - quite annoying.
The diodes properties changes as it (and the Beomaster as a whole) heats up so to avoid voltage drift it uses the frontend metal housing as a cooling fin.
It needs to have a good thermal contact.
Mount with thermal paste.

Martin

andreis2009
Not Ranked
Posts 8
OFFLINE
Bronze Member

Oh that's how it works, thanks as always, Martin!

Page 1 of 1 (6 items) | RSS