Sign in   |  Join   |  Help
Untitled Page

ARCHIVED FORUM -- March 2012 to February 2022
READ ONLY FORUM

This is the second Archived Forum which was active between 1st March 2012 and 23rd February 2022

 

MX7000 TV - Can it be repaired?

rated by 0 users
This post has 8 Replies | 2 Followers

belugablack
Not Ranked
Posts 4
OFFLINE
Bronze Member
belugablack Posted: Wed, Sep 20 2017 7:29 PM

I've got a MX7000 TV with matched VX7000 VHS and it's given well over a decade of excellent service but now the picture is tinged with green when you turn it on and then after some minutes it will flick into full colour and the picture is perfect.  It used to take about 5 minutes to "warm up" to correct colour but now that has increased.

I am really loathe to scrap this TV as the sound quality is so much better than on the more recent B&O TV;s and wonder if anyone can advise me what is likely to be wrong and where I can source the right component please?

gerard
Top 200 Contributor
Luxembourg
Posts 331
OFFLINE
Bronze Member
gerard replied on Tue, Sep 26 2017 8:56 AM

Hi,

I have the same issue with my AV9000, perhaps you could post your question to the workbench part of the forum

Andrew
Top 100 Contributor
Frinton, UK
Posts 917
OFFLINE
Bronze Member
Andrew replied on Fri, Sep 29 2017 11:41 AM

It might be the screen - and the red/blue guns playing up - or a bad connection to the gun. Mine used to get very dusty inside so I used to vacume clean it - but you may be better finding a TV repairman since the voltages inside are potentially lethal?

Keith Saunders
Top 25 Contributor
Hampshire, United Kingdom
Posts 5,495
OFFLINE
Founder

belugablack:
I've got a MX7000 TV with matched VX7000 VHS and it's given well over a decade of excellent service but now the picture is tinged with green when you turn it on and then after some minutes it will flick into full colour and the picture is perfect.  It used to take about 5 minutes to "warm up" to correct colour but now that has increased.

What you are describing is quite common in older CRT TV's and is almost certainly a tube fault or an intermittent connection on the tube base connector which normally also holds a few components and cathode adjustments.

The fact that you say the quality of the picture corrects itself after a period of time leads me to conclude that you have an intermittent cathode to grid short in the tube. All is not lost as an EXPERIENCED TV repair technician will almost certainly have available an old Tube regeneration tool which puts a high voltage between cathode and grid which effectively cleans the connection and works 90% of the time. If teh process is successful you can expect many more years of use.

Attached is an old article I dug out of the archive on the subject.

Regards Keith....

Keith Saunders
Top 25 Contributor
Hampshire, United Kingdom
Posts 5,495
OFFLINE
Founder

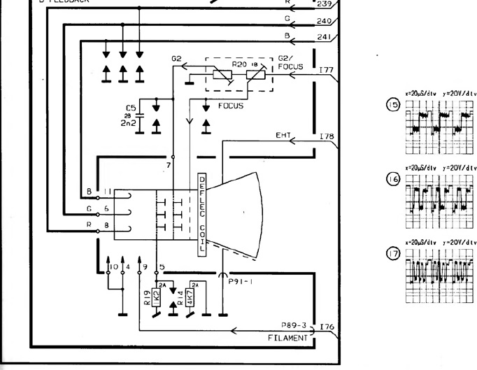
Below is a diagram of the MX7000 tube connections

Regards Keith....

solderon29
Top 150 Contributor
U.K.West Midlands
Posts 764
OFFLINE
Gold Member

It could indeed be a problem with the crt as suggested,but it's unlikely as these crt's were very reliable in my experience.

It could be a poor soldered connection on the crt base pcb,particularly around the video output transistors,and associated components which often become "dry".

Another possibllity considering your description of the problem,would be the automatic degaussing circuit,which is designed to demagnetize the metalwork around the crt,everytime you switch on.

The colour decoder/,video output chip gets quite hot too,and the pins can become dry jointed and cause all sorts of odd effects.

Well worth investigating,but probably something for an experienced techie to deal with for you?

Have you researched local tv Engineer's in your area.You will need someone with B&O experience.

Good luck with it.

Nick

belugablack
Not Ranked
Posts 4
OFFLINE
Bronze Member

Hello, thank you for the replies.  I had thought it was something to do with what makes things red as lips on people are this blacky/blue colour then once the TV has "warmed up" they flick into red as they should. 

I was hoping it was something I could have a bash at myself, I have fixed dry solder joint issues on car ECUs and swapped in a new motor on a VAX machine!  There used to be an excellent B&O chap at Alderminster near Stratford on Avon who repaired my Beocord system but he closed down 10 years ago, so I don't know anyone with B&O expertise now and it's not something that is economically viable to repair given these fetch about £20 on Ebay now.

The other thing, as someone raised, the fact that it fixes itself within 1/2 hour suggests to me it is something simple rather than a failed component, I just need to pinpoint it.

If the TV is disconnected from the socket at the wall can I take the back off, dust everything down and check for possible dodgy connection or dried solder or would I still be at risk of an electric shock?

Does anybody have an annotated picture with the back off one of these MX models showing me what is the CRT what is that component etc with pointers as to where to look please?

The green picture has got to be fixed as it's really no good, but the sound and picture quality is so good otherwise that I am determined to fix it so can anyone give me detailed instructions as what to look for please.  Thinking about it my MX5000, which never gets used and just looks pretty with matching white VX5000, also exhibits this green picture thing so I think it is a common glitch.

gerard
Top 200 Contributor
Luxembourg
Posts 331
OFFLINE
Bronze Member
gerard replied on Mon, Oct 2 2017 10:53 PM
I just ordered some Caps according to the MX7000 repair workshop from The_Bogener in the Archived Forum.
You may find the workshop here:
belugablack
Not Ranked
Posts 4
OFFLINE
Bronze Member

I am not sure whether duff capacitors would be causing my saturated with green picture, from what I have read that seems to give symptoms of the TV not powering up at all or an hourglass distortion to the picture.  My TV works fine in every regard apart from the colour.

Given that I am on the verge of junking this MX7000 as cannot watch Christmas telly in green, I took the back off the TV and with a soft paint brush I flicked off all the dust, and there was tonnes, and carefully vacuumed it as thoroughly as I could.  I then disconnected any plug connectors I could reach, sprayed contact cleaner over, waited an hour for this to go off and then plugged all the connectors back in and put the thing back together.

I have limited experience with leaking 'caps' on car instrument panels but I could see no evidence of any leaking 'caps' or dried solder on the boards that were visible.

No happy ending I'm afraid guys, it has exacerbated the problem.  The picture is now super green and even after a substantial time to "warm up" no longer flicks back into proper colour. 

Does anyone have any further suggestions please?

Page 1 of 1 (9 items) | RSS