ARCHIVED FORUM -- March 2012 to February 2022READ ONLY FORUM
This is the second Archived Forum which was active between 1st March 2012 and 23rd February 2022
Hi guys
So guys i have a beogram CD 3500 hooked up to a beomaster 3500 however when i press play on the cd player it does no auto play i have to press the CD button on the beomaster for audio to start. Also when playing a CD my beolink 1000 does not react in any way to any command CD wise. I can not change track or anything however when using my beogram or beocord the remote works fine. All the connections seem to be connected right is there anything i can do to fix this?
Cheers dudes.
Does it close the lid when you put a CD in and press PLAY?
Martin
Hi Martin,
Yeah the Beogram's lid shuts and starts to play it just does not click over on the Beomaster, i have to press the button manually or use the CD icon on the Beolink 1000.
When i press the beocord button on the master it clicks on and starts playing the tape,Thanks Jez
- Missing datalink pin in the DIN plug- Broken lead for datalink inside the DIN plug- Bad datalink protection diode in either the Beomaster or the Beogram CD
I have tried it in the tape 1 and phono connection and the same happens so I think it is the cable or din male connection.
How is the best way to fix this?
Thanks jez
Check that the datalink pin(s) is/are present.Open the DIN plug and take a look inside. If a lead has broken off it should be soldered back onto its pin.Check the diodes in both the Beomaster and the Beogram CD. Bad diodes should be replaced.
All very basic, - diagnose and repair.
Hi Martin
I have checked the Din plug it seems to be fine, all connections are okay. Which sadly indicates the Diodes, i have opened up the master and the cd and there is no way i am capable of finding the bad ones, i do not trust myself not to break either device. Is there any repair centres / reputable companies in the UK that will fix such a device? Many thanks
Jez
Carrick98: Hi Martin I have checked the Din plug it seems to be fine, all connections are okay. Which sadly indicates the Diodes, i have opened up the master and the cd and there is no way i am capable of finding the bad ones, i do not trust myself not to break either device. Is there any repair centres / reputable companies in the UK that will fix such a device? Many thanks Jez
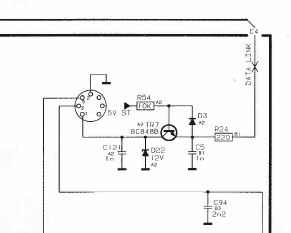
It is Diode D22, a 12v zener diode that might be the problem. But if you have no experience at all, then it might be difficult.
/Jacob
Is that Diode 22 on both devices? I will give it a look atJez
In the Beomaster there are 4 1N4148 diodes on pcb 4, which is the processor board.
Check the Zener in the CD first, it is easier to get to, and I have not seen any dead in the Beomasters yet(except for one BM7000 which was struck by lightning), but seen them die in CD6500 and CD7000 before.
Okay thanks
Where is the best place to get a replacement diode? Is there any specific one i need?
I am not hugely familiar with electronics and work like this so excuse all the questions!
Thanks
Fit the original types. They are still available.Remember ALWAYS work in an ESD-safe workspace when working with CMOS as in the processor module.There's a huge risk of damaging more than you repair if you don't.But don't replace the diodes unless they are bad.Check them with a multimeter.Or put a scope to the datalink signals - if you have one.
Is there a site to find the originals? This is as close as i could find online http://uk.rs-online.com/web/p/zener-diodes/5444477/I have a multi meter but how do i check to see if it is open or broken? I have dismantled the player so i can see the D22 module but all the articles i have seen say you need to connect the diode to a battery or power source before checking the status? Can i check it whilst it is in the cd player? What is a scope? and is it worth getting one to check the diode? I will post some pictures of the diode in the device later. Many thanks Jez
Carrick98: Is there a site to find the originals? This is as close as i could find online http://uk.rs-online.com/web/p/zener-diodes/5444477/I have a multi meter but how do i check to see if it is open or broken? I have dismantled the player so i can see the D22 module but all the articles i have seen say you need to connect the diode to a battery or power source before checking the status? Can i check it whilst it is in the cd player? What is a scope? and is it worth getting one to check the diode? I will post some pictures of the diode in the device later. Many thanks Jez
https://www.allaboutcircuits.com/textbook/semiconductors/chpt-3/meter-check-of-a-diode/
There are a few ways of testing a diode with a multimeter. It can be measured while in circuit, but without power to the cd player off course :)
If you don't have a oscilloscope, then don't buy one unless you have plans on beginning learning electronics :).
A Zener diode and 1N4148 diode can both normally be tested in circuit with a digital multimeter.