Sign in   |  Join   |  Help
Untitled Page

ARCHIVED FORUM -- March 2012 to February 2022
READ ONLY FORUM

This is the second Archived Forum which was active between 1st March 2012 and 23rd February 2022

 

Beomaster 4500 phono/tape 2 bypassing controls

rated by 0 users
This post has 2 Replies | 1 Follower

EcceAngelo
Not Ranked
Posts 4
OFFLINE
Bronze Member
EcceAngelo Posted: Fri, Sep 14 2018 11:45 AM

Hi,

I'm playing music on my late dad's beomaster 4500, in his old house... I have a source plugged in the phono/tape 2 input (airport express, via jack/din7 adapter). It's working, but the beomaster has a strange behaviour, and I'm suspecting it's not normal...

When playing music on the phono/tape 2 (no RIAA amplifier integrated in the beomaster : it was in the beogram 4500),

- The volume is always at max level (you have to lower in on the source),

- The volume control via the beomaster screen or via the remote has no effect.

- When selecting another source, the music on the PH/TP2 keeps going through.

I suspect there must me some defect electronic component on the board which is responsible of this bypassing... What do you think about it ? Has someone already have this king of problem ? Or is it the normal behaviour of the beomaster (seems unlikely, but who knows, I'm no B&O specialist... :-) ?

 

Regards,

BeoLignage
Top 500 Contributor
Sweden
Posts 207
OFFLINE
Bronze Member

Hi EcceAngelo and welcome to the forum.

Have you tried to connect the same cable to the CD input?

not sure if the scenario I have in mind would lead to the behaviour you mention, but I'm thinking that it might be that the signal is inputted on the TAPE-out part of the 7-DIN...

if that is the case you will not get any sound at all on CD input, but it also means that you are lucky to not have an issue with your 4500, but only need a new cable.

BR //Goran

EcceAngelo
Not Ranked
Posts 4
OFFLINE
Bronze Member

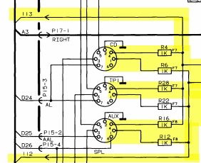
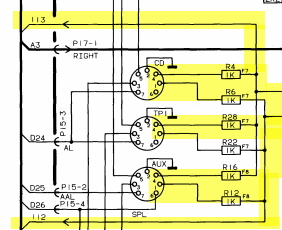
Looking in the service manual, I think I see what you mean, correct me if I'm wrong : instead of going in the beomaster via the "in" pins of the 7-din, they would go through the pins made to receive the tape out signal from the amp (in case you put a cassette recorder on tape 2" ; so the signal comes backwards through the amp, resulting in an abnormal behaviour, as the design is not thought to receive signal via its output "channels". Is it right ?

If I read the diagram correctly, the diagram, the signal would go through pin 1 and 4, then, via ref 112 and 113 through the system. But if I used the same cable on CD, the signal from oin 1 and 4 would also go the same way in the system (but without passing through the ref 112 and 113 points, which seems not significant). It seems I would see no difference in the result.

But following your lead, I think I could test the adapter to check if the signal from the mini jack is well redirected to the right pins of the 7-din ; if that is wrong, my adapter would need to be changed. If that's correct, it could be the DIN cable, which I could test by connecting my source to the CD cable, and see if the beomaster behaves correctly.

Thank you, now I see what could be going wrong and what I could check !

 

Page 1 of 1 (3 items) | RSS