Sign in   |  Join   |  Help
Untitled Page

ARCHIVED FORUM -- March 2012 to February 2022
READ ONLY FORUM

This is the second Archived Forum which was active between 1st March 2012 and 23rd February 2022

 

Beomaster 1001 , how can I take it apart ?

rated by 0 users
This post has 33 Replies | 1 Follower

SebaLele
Not Ranked
Italy
Posts 28
OFFLINE
Bronze Member
SebaLele Posted: Sun, Mar 10 2019 11:53 PM

Hello ,

in my recent addiction, another B&O has been found .

This is a lovely BM1001 .Was very dirt inside .

I did the usually check , power supply , bias  and after fixing some dial cord problem and broken lamps I have to clean volume  and tone pot . 

These need a deep control cause they shout louder casually .

I take off the bottom to service but seem very hard to lift the upper part .

I have the alluminium panel dial scale on hands but I can't take off the other upper panel .

I read the service , on pg 20 (or 43) there is a drawing ... seem there is no way to get access to pot without take it fully apart .

Tomorrow I'll post some picture to show better.

Do someone been working on this model ? 

Many thanks for your comment

Gabriele

W.Frankenberg / Gandalf
Top 500 Contributor
Heilbronn / Germany
Posts 290
OFFLINE
Bronze Member

hello, to the potentiometer you get up very quickly, the aluminum cover with the sliding gliders is just plugged

in and can be easily levered up with a little feeling!

To get to the attachment of the scale pointer, you have to take the unit a little more apart!

Unscrew the three screws on the floor (please check the service manual), now you can open the device like a book☺!

The aluminum plate with scala is held by 4 screws at the corners, the movable scalene pointer is clamped to the scalp rope with 2 screws.

wilfried

SebaLele
Not Ranked
Italy
Posts 28
OFFLINE
Bronze Member
SebaLele replied on Mon, Mar 11 2019 10:30 PM

 

Bingo ! great Wilfried !

I was little dissapoint about ... looking at the drawing for long  but I didn't understood .

Just plug in ! I was afraid to break it .

I was able to take off the plate with scala . OK now is naked .

 I add some picture , may be useful for others 

completely apart

to remove plate with keyboard 

1.screw

2 .just turn this screw  a little 

 

Last pull off the left end

this is the tone panel as Wilfried said ; just pull off 

 

Thanks ,

I'll be back with the restore

Bye

Gabriele

SebaLele
Not Ranked
Italy
Posts 28
OFFLINE
Bronze Member
SebaLele replied on Mon, Mar 11 2019 10:31 PM

W.Frankenberg / Gandalf
Top 500 Contributor
Heilbronn / Germany
Posts 290
OFFLINE
Bronze Member

hello Gabriele,

Thank you for the picture documentation of disassembling the beomaster 1001 (1200).

I had not indicated the small hidden screw to stabilize the key unit; in all of my dismantled Masters 1001 and 1200

it was no longer available except for one.

Your Beomaster looks visually good and has a complete scaler (with wheels ?).

But tell me, why did you solder out the board with the DIN sockets?

 

Your workbench equipment looks professional, everything you need is there!

wilfried

SebaLele
Not Ranked
Italy
Posts 28
OFFLINE
Bronze Member
SebaLele replied on Tue, Mar 12 2019 9:58 PM

W.Frankenberg:

I had not indicated the small hidden screw to stabilize the key unit; in all of my dismantled Masters 1001 and 1200

it was no longer available except for one.

yes , but can be view , I'll take a better picture .

W.Frankenberg:

Your Beomaster looks visually good and has a complete scaler (with wheels ?).

But tell me, why did you solder out the board with the DIN sockets?

Yes look good , just some number on volume panel are  shaded .

I take off the din board to have access a died helko : start to ruin the pcb.. was little humming on tape.

So I start a total recap : every time I replace the caps give a test , and start another pcb 

recap fm board >test OK

recap preamplifier board + Output caps > test OK

recap main amp / power suplly : check....NO FM 

just normal noise , like no input plug to the source...

Damn ..

Power supplies are fine just  -18V on big cap(C467) differ from -23V on sch.

when fm or p1-3 button are pressed dc voltage appear on fm module with right value , but I can't not see any oscillation on module and neither on output of fm module . Here should be in AF .

I suspect for a problem on switch board . There a 20cm bus where switch are soldered ; over this pcb there is a layer a sort of plastic pcb for to get a sord of dual layer pcb ... look at pic sorry for my english.

 

I want check the solder point on that pcb .

No one experieced ?

Ciao

SebaLele
Not Ranked
Italy
Posts 28
OFFLINE
Bronze Member
SebaLele replied on Tue, Mar 12 2019 10:00 PM

Forget . but  very important ...

the amp sound very good from tape input !

W.Frankenberg / Gandalf
Top 500 Contributor
Heilbronn / Germany
Posts 290
OFFLINE
Bronze Member

hello gabriele,

I assume that FM was ok before the recap.

If the audio signal on TAPE and PHONO is well reproduced, you can already have no error in the preamp in the power amplifier and in the power supply produced.

I do not believe that on the plastic board of the Feh

If you switch on FM, P1, P2, or P3, actually only the control voltage for the ZF board and the FM tuner will be switched!

Now can the tuning voltage reach the diode tuner, can it be adjusted correctly?

A simple (stupid) question: does the FM bulb light up its brightness?

if this is not the case, you will not work zf level if the bulb itself is ok.

If the bulb is lit, at least the ZF stage is working.

Is there at least a background noise?

Do you have a good antenna signal?


did you change the four tantalum elkos on the switchboard when you recap?

could something have happened while soldering there?


You have described that in the power supply the -23V are not correct, you can still adjust the + 33.3V correctly?

I would adjust the voltage and adjustment for FM ZF and Tuner again.


ok, many words, many questions!


By the way, you've saved the preamp board well and hopefully you get rid of the electrolyte well.

On the capacitors you would also without unsoldering the DIN board come, if you had only removed the 6 screws of the rear metal rail.

P.s.. My english come Form Google translater 😂

wilfried

SebaLele
Not Ranked
Italy
Posts 28
OFFLINE
Bronze Member
SebaLele replied on Wed, Mar 13 2019 1:26 AM

 

Lot of information many thanks ,

before another repair-session let see little further :

W.Frankenberg:

I assume that FM was ok before the recap.

If the audio signal on TAPE and PHONO is well reproduced, you can already have no error in the preamp in the power amplifier and in the power supply produced.

correct , input preamplifier and final stage are OK

W.Frankenberg:
I do not believe that on the plastic board of the Feh

Just suspect , When was lit for fist time only p1,2&3 were working . FM just background noise .I played with button on/off and start sound .

but when switch from Px to FM take about 1-2 second before play in "crescendo" arising .Put some deoxit and fixit . But may be false contact again ..

W.Frankenberg:
If you switch on FM, P1, P2, or P3, actually only the control voltage for the ZF board and the FM tuner will be switched!
they serial ....

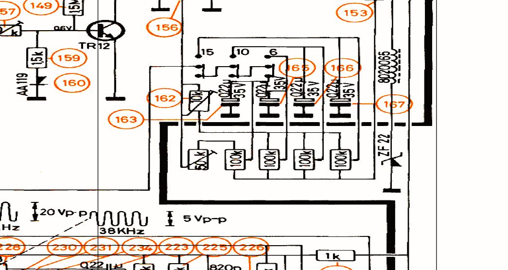
Yes Wilfried but , if I see on SM  ,when push p1xfm button, they should set the resistor "tuning" R163...167

 

may the common line of these on 100k pot do not close the loop (to R153). I'm not expert in hf ..


 

SebaLele
Not Ranked
Italy
Posts 28
OFFLINE
Bronze Member
SebaLele replied on Wed, Mar 13 2019 1:34 AM

W.Frankenberg:

Is there at least a background noise?

Do you have a good antenna signal?

 

Yes for antenna & background noise (like noise on tape in select without any connector , just noise)

W.Frankenberg:

Now can the tuning voltage reach the diode tuner, can it be adjusted correctly?

A simple (stupid) question: does the FM bulb light up its brightness?

if this is not the case, you will not work zf level if the bulb itself is ok.

If the bulb is lit, at least the ZF stage is working

 

these are to be checked , but , what you mean for zf ? I mean Z62 power supply to first module on FM pcb .

W.Frankenberg:

did you change the four tantalum elkos on the switchboard when you recap?

could something have happened while soldering there?

No Tantalum replacement ; checking ok for short on switchboard 

when I solder there I used the FM for two days ; Today I only touch final stage pcb . But anyway I also checked all solder point and" hammer" the pcb .

W.Frankenberg:

You have described that in the power supply the -23V are not correct, you can still adjust the + 33.3V correctly?

I would adjust the voltage and adjustment for FM ZF and Tuner again.

I have checked PS at about 33 V so I left so .

I've never tuned a decoder . I've 100MHz scope and a digital scope (often used as BW  analyzer ) and thd tester . Generator till 10M .

I can easy check the dc value on SM... 

Damn! was working & singing very well

 

Many thanks wilfried for yours precious suggestions

W.Frankenberg / Gandalf
Top 500 Contributor
Heilbronn / Germany
Posts 290
OFFLINE
Bronze Member

ok, FM ZF could not translate google correctly😧

This means the IF of 10.7 MHz

The Zehnerdiode in the power supply to the 100k tuning pots but is also very important, it determines the tuning range of the FM tuner, the voltage is not correct here and constantly the tuning range is too high or too low, meaning you can then only stations below 88MHz or received above 108MHz!

 

I noticed there is a note in a service manual Beomaster 1200, there is a modification for the FM area.

in some older devices, no 3.3k resistor was connected in parallel with the STEREO lamp!

If the bulb had blown, it came to the deteriorated and distorted FM playback, up to the failure of FM!

do you have maybe a device from this old series in front of you?

 Then you should check if the STEREO lamp is ok!

No joke I tested it on one of my Beomaster1200 without this 3,3k resistor parallel to the lamp, without the bulb there is no FM reception!

 

Incidentally, I also have a small problem with the STEREO display on the BM 1001; if I switch to TAPE or PHONO the lamp does not turn on, is that the same with yours? On a BM1200 it lights up!

wilfried

SebaLele
Not Ranked
Italy
Posts 28
OFFLINE
Bronze Member
SebaLele replied on Wed, Mar 13 2019 9:52 AM

W.Frankenberg:

This means the IF of 10.7 MHz

The Zehnerdiode in the power supply to the 100k tuning pots but is also very important, it determines the tuning range of the FM tuner, the voltage is not correct here and constantly the tuning range is too high or too low, meaning you can then only stations below 88MHz or received above 108MHz!

OK , this is usefull ; I can not check till Sunday but seem as you said . I should  check on R47 (47K) if there any variations tuning throught P1-3 or FM .

I think that is just an open contact or something like .

W.Frankenberg:

I noticed there is a note in a service manual Beomaster 1200, there is a modification for the FM area.

in some older devices, no 3.3k resistor was connected in parallel with the STEREO lamp!

If the bulb had blown, it came to the deteriorated and distorted FM playback, up to the failure of FM!

do you have maybe a device from this old series in front of you?

 Then you should check if the STEREO lamp is ok!

No joke I tested it on one of my Beomaster1200 without this 3,3k resistor parallel to the lamp, without the bulb there is no FM reception!

 

Somewhere I read something about it , now try google for this retrofit

I can not say this is an early version but it's sure related to service manual . 

At first check 2 lamps were ok ( i don't remeber stereo...fm) but it sounded and received fine .Using just a 300ohm dipole .

I'm going to check for stereo bulb and resistor 

W.Frankenberg:
Incidentally, I also have a small problem with the STEREO display on the BM 1001; if I switch to TAPE or PHONO the lamp does not turn on, is that the same with yours? On a BM1200 it lights up!

Now I'm confused , I give a try . Sure that in FM stereo , if I push mono both bulb (mono&stereo ) lite but sound mono . I don't remember with tape/phono . I'll check

Ciao 

Gabriele

SebaLele
Not Ranked
Italy
Posts 28
OFFLINE
Bronze Member
SebaLele replied on Wed, Mar 13 2019 10:04 AM

I'm not in my cave now but looking at the schematic , appear to be ok having both stereo and mono lite when in fm mode with station in stereo and mono pressed but (right) it sound mono .

Otherwise is strange having stereo light ON when you use tape/phono selector .

In this case fm module should not be supplied and so the stereo light .

I have to test to confirm . But should works so , don't you find it ?

 

Gabriele

SebaLele
Not Ranked
Italy
Posts 28
OFFLINE
Bronze Member
SebaLele replied on Wed, Mar 13 2019 10:04 AM

I'm not in my cave now but looking at the schematic , appear to be ok having both stereo and mono lite when in fm mode with station in stereo and mono pressed but (right) it sound mono .

Otherwise is strange having stereo light ON when you use tape/phono selector .

In this case fm module should not be supplied and so the stereo light .

I have to test to confirm . But should works so , don't you find it ?

 

Gabriele

W.Frankenberg / Gandalf
Top 500 Contributor
Heilbronn / Germany
Posts 290
OFFLINE
Bronze Member

The diagram shows three lamps from the left :   FM, MONO and POWER (not STEREO !!)!

The STEREO lamp can be seen below in the diagram, it is switched by the TR16!

The FM lamp is power by TR12 and the brightness can be adjust by R157!

The power lamp should be on if power is on, every time!

The mono lamp is on when the mono switch push and give ground to the lamp !

 

wilfried

SebaLele
Not Ranked
Italy
Posts 28
OFFLINE
Bronze Member
SebaLele replied on Wed, Mar 13 2019 11:58 AM

W.Frankenberg:
The diagram shows three lamps from the left :   FM, MONO and POWER (not STEREO !!)!

Right !

R265 should be 3K3 you said before 

So, stereo lamp should goes off when tape/phono are selected cause there no power on FM module input .

W.Frankenberg:

The power lamp should be on if power is on, every time!

The mono lamp is on when the mono switch push and give ground to the lamp !

ja , power lamp take direct from power supply and switch 35 take R168 to ground 

Clear , hope this evening  can give some test .

Ciao

SebaLele
Not Ranked
Italy
Posts 28
OFFLINE
Bronze Member
SebaLele replied on Wed, Mar 20 2019 9:14 PM

Well,

I get back from some days outdoor , I thought to follow the fault/signal  by scope .

So I put probe on FM module to look for signal on test point ..... and these are present !

I plug an headphone and ...voilà ! Music!

Hum , I'm a little disappoint . This sort of problems usually are fake contact , cold solder ,switch and often they get back.

I've punished hard the switches , bet the pcb with screwdriver and the B&O never give up to sing .

I'll let play for some days then I have to restore the wood around the Beomaster .One side is missing ; I have to play with wood .

Some details to come .

Gabriele

 

 

SebaLele
Not Ranked
Italy
Posts 28
OFFLINE
Bronze Member
SebaLele replied on Wed, Mar 20 2019 9:48 PM

W.Frankenberg:
Incidentally, I also have a small problem with the STEREO display on the BM 1001; if I switch to TAPE or PHONO the lamp does not turn on, is that the same with yours? On a BM1200 it lights up!

 

Stereo lamp goes off when tape or phono are selected .

W.Frankenberg / Gandalf
Top 500 Contributor
Heilbronn / Germany
Posts 290
OFFLINE
Bronze Member

Hello Gabriele

 It is really stupid when an error is suddenly gone and is not clear what the cause was!

Thanks for the information about the behavior of the STEREO lamp when you switch to tape or phono, the Beomaster 1200, in many parts identically constructed, behaves quite differently, more logical as I mean, he turns on the lamp when tape or phono pressed is!

If that is so I have one less problem with my Beomaster 1001!

I wish a lot of fun with the woodwork.

wilfried

SebaLele
Not Ranked
Italy
Posts 28
OFFLINE
Bronze Member
SebaLele replied on Wed, Mar 27 2019 8:13 PM

 

Ciao ,

some wood working has been done , 

not easy to take off the frame from the BM1001 . I think they're fitted before the electronic and pcb .

Anyway , pull carefully , some little clip come frm the wood .

I miss one side . I bought a strip of wood and cut like other side

Now need to be painted

SebaLele
Not Ranked
Italy
Posts 28
OFFLINE
Bronze Member
SebaLele replied on Wed, Mar 27 2019 8:30 PM

Opps it did again !

While was waiting that glue dried I've lie the BM 1001 on the bench to test ...

Still Fm doesn't play ...

different problem from early , now it can received from fm & sometime a station can be hear but :

no tune .. you can play with tuner but not change the station .

If I hear a station from FM the same station is present on FM1, 2& 3.

when a station is locked , it drifts and change station ..

I believe something is loose .. due to a miss or partial contact and should be in common with FM & station preset . Never ending story 

W.Frankenberg / Gandalf
Top 500 Contributor
Heilbronn / Germany
Posts 290
OFFLINE
Bronze Member

I can hardly believe what you write, since yesterday I have exactly the same behavior with my BM1001!

If you press the AFC button, the tuning will go through the entire FM band, and sometimes FM1, 2, 3 will play the same station, even though they are set to different!

Now I had just completely assembled the device and only had in the test run, so I must probably continue again!

I suspect the error in the AFC circuit (defective tantalum capacitor?).

I'll keep you informed if I found the mistake, but you may be faster!?!

By the way, your woodwork looks good, but you also have every special tool at hand !!

Will the case be black after painting?

wilfried

SebaLele
Not Ranked
Italy
Posts 28
OFFLINE
Bronze Member
SebaLele replied on Wed, Mar 27 2019 11:02 PM

ouch ! sharing same defect ! Surprise

W.Frankenberg:
If you press the AFC button, the tuning will go through the entire FM band, and sometimes FM1, 2, 3 will play the same station, even though they are set to different!

Seem pushing preset or FM doesn't change result , maybe a common wire/connection in these button ? 

each button should give a different voltage to IF ; seem don't close the loop 

What about at the point I have highlighted ?

Think at point 2 , a partial resistance will read , enough to keep some fm but not enought to have correct level ...

I will try to look at these 

I did not try pushing afc , but this night when I'll be back from work I'll give a try .

W.Frankenberg:
I'll keep you informed if I found the mistake, but you may be faster!?!

wiil be great , I have 3  amp on the bench with ghost problem ; maybe some help each other will solve .

W.Frankenberg:
By the way, your woodwork looks good, but you also have every special tool at hand !!

Yes , I like to be indipendent (where I can) ,so some years ago to make some plinth , I bought this Bosch table .

From a woodworker the simple thorens 150/160 plinth will cost half the Bosch . Some practice , and voilà ; usually just frame but sometimes some furnishings as well . Just for fun 

https://vintageaudiorepair.blogspot.com/

I've painting all the BM1001 frame with a similar original color , then some oil .

 

 

SebaLele
Not Ranked
Italy
Posts 28
OFFLINE
Bronze Member
SebaLele replied on Thu, Mar 28 2019 8:27 PM

Little time , I've done some check .

When switch on the 1001 issue just noise;

then , with a little hit on the switch board start to sing but without tuning .It take some station and after a while change station .

AFC does not change situation . Just receive worse .

So I put a DMM on R47 (47K). The voltage here should change when you tuning .

When I first touch the R47 solder point on side 1 , Voltage change when I turn the tuning pot.

it varies from about 8Volt to 15V .

On the other side R47 (2) : I touch with probe and tuner start to play correctly . . I lift the probe and still no tuning .

For now I've jumped with wire side 2 of R47 and till now everything is working .

But ... I don't believe (but I hope ) this was the fault . But if you think maybe logical.

Gabriele


W.Frankenberg / Gandalf
Top 500 Contributor
Heilbronn / Germany
Posts 290
OFFLINE
Bronze Member

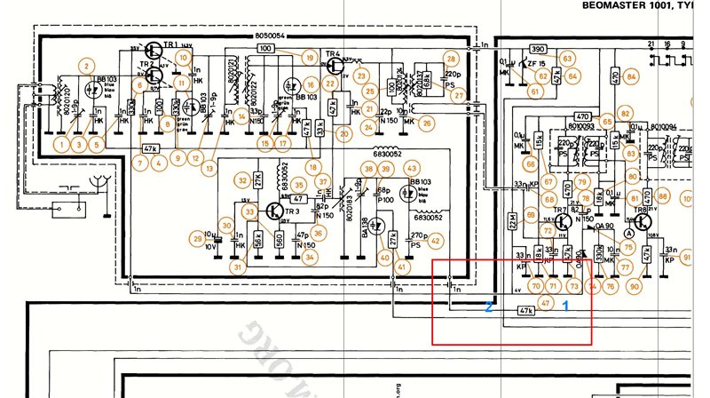
exactly, I also have a board error (see picture), the pen points to the interruption of the board, re-soldered and FM is again stable! Unfortunately I only have to perform the FM adjustments again, since then I have a worse stereo signal.
Great tip thanks Gabriele!

wilfried

SebaLele
Not Ranked
Italy
Posts 28
OFFLINE
Bronze Member
SebaLele replied on Fri, Mar 29 2019 8:36 PM

Happy to hear it's working again !

Still mine

https://youtu.be/c_JBsEPtmgs

It take a lot more to close the receiver .

first ,power lamp goes on & off  , still contact .

Then I miss the black strip on the board to hide space between button and pcb visible from above . open and closed again

Hope don't take it apart again . 

I plugged the receiver to pair of Grundig 650 speaker . Yes , it sound fine , good bass and lovely voice .

I give some days of burning & test then I'll put on my home's system .

--------------------- Best Wishes -----------------------------------------------

Gabriele

 

W.Frankenberg / Gandalf
Top 500 Contributor
Heilbronn / Germany
Posts 290
OFFLINE
Bronze Member

I think the power lamp and the plastic strip will be the smallest problem on your BM1001!

As a replacement for the black plastic strip, you can certainly use a pond liner, because I would even have a few leftovers from the pond film.


By the way, your youtube movie was interesting!


What else do you have on "sleeping" projects?


I still have a BM4000 with defective power amplifier and button problems and several Beogram series 59xx, and a BM1200 with a defective power amplifier in the shelf!


Best Regards.

wilfried

SebaLele
Not Ranked
Italy
Posts 28
OFFLINE
Bronze Member
SebaLele replied on Fri, Mar 29 2019 11:01 PM

W.Frankenberg:

I think the power lamp and the plastic strip will be the smallest problem on your BM1001!

As a replacement for the black plastic strip, you can certainly use a pond liner, because I would even have a few leftovers from the pond film.

Yes , everything is fine . I was boring to open again to fix these little thing .Now it's closed and it''s playing ; just cosmetic thing .

these B&O are the toys of  last six months ; I've restored a BM 4400 , a BM 901 and Beocenter 2100. Never had one before .

 

I have some issue with other hifi brand ; nad 306 with thermal drift , some components work at 50/60° and give distorsion .

Another is a sansui d9 ; here the bias goes up and down and take  the final transistors out of safe zone . Bad design . These are from friends .

The beo is giving a good soundtrack while I'm play with electronic .

SebaLele
Not Ranked
Italy
Posts 28
OFFLINE
Bronze Member
SebaLele replied on Fri, Mar 29 2019 11:15 PM

W.Frankenberg:

I still have a BM4000 with defective power amplifier and button problems and several Beogram series 59xx, and a BM1200 with a defective power amplifier in the shelf!

 

I like the look of 4000 in black  , a lot of power in this little case ; what sort of trouble witth it ?

 

W.Frankenberg / Gandalf
Top 500 Contributor
Heilbronn / Germany
Posts 290
OFFLINE
Bronze Member

Yes, the BM 4000 I like better than the BM3000, because of the black Alufront!

 

My problem with the BM 4000 is mainly in the no longer latching switches for speaker1 and Filter Low.

I have already mentioned the problem here (see https://archivedforum2.beoworld.org/forums/t/30644.aspx) but have not received a response so far.

The final stage problem consists mainly in the procurement of some special trasistors, and the replacement of the large  capacitors!

 

I also have an amplifier from another hi-fi manufacturer (from a friend), a Grundig FineArts 903A, which has problems with the volume poti (is a 4-poti and no longer to procure)


P.S.

I've been writing this forum for a while, but I have not always figured out how to copy and paste quotes from other posts

wilfried

SebaLele
Not Ranked
Italy
Posts 28
OFFLINE
Bronze Member
SebaLele replied on Mon, Apr 1 2019 10:42 PM

Seems very hard to get to switches also on BM4400 I restored .Fortunately was not necessary in my case

It's like a mechanical issue . Need someone with experience like your tip on take apart the BM1001 .

W.Frankenberg:

I also have an amplifier from another hi-fi manufacturer (from a friend), a Grundig FineArts 903A, which has problems with the volume poti (is a 4-poti and no longer to procure)

 

It's the pot like used on Quad 34 ? 

 

To quote , just hilight part from message above and then press quote .

Will show in your reply 

 

SebaLele
Not Ranked
Italy
Posts 28
OFFLINE
Bronze Member
SebaLele replied on Mon, Apr 1 2019 10:50 PM

Today an old woman take me this receiver/turntable  made by Siemens .

She's more than 80 and would like to hear this Radio again .

Just plugged in. Turntable play and also the Am .In FM just noise ... 

Go for a full restore 

W.Frankenberg / Gandalf
Top 500 Contributor
Heilbronn / Germany
Posts 290
OFFLINE
Bronze Member

SebaLele:

Today an old woman take me this receiver/turntable  made by Siemens .

She's more than 80 and would like to hear this Radio again .

Sure, the radio is not older than the lady?

You're not doing an April Fool there?


During my apprenticeship I had to reload the scalper ropes on the devices!

These "old sweetheart" usually do not break, only the tubes you have (if you still get some) renew!

 

Are you a radio and TV technician like me?

 

wilfried

W.Frankenberg / Gandalf
Top 500 Contributor
Heilbronn / Germany
Posts 290
OFFLINE
Bronze Member

SebaLele:

Seems very hard to get to switches also on BM4400 I restored .Fortunately was not necessary in my case

It's like a mechanical issue .

I've had contact with Martin Dillen (admin in this forum) a couple of times, he has almost everything on spare parts from B & O; but unfortunately these buttons are not anymore!

 

SebaLele:
It's the pot like used on Quad 34 ? 

no, the Grundig is actually a Marantz and the potentiometer of a quad 34 would not fit!

The pot is soldered on a small board with some electronics and is a 4x 50kOhm!

SebaLele:
Seems very hard to get to switches also on BM4400 I restored

Yes, I think the BM4400 has the same buttons as the BM3000!

I have asked Marti from this forum for spare buttons, unfortunately, he has currently no

wilfried

Page 1 of 1 (34 items) | RSS