Sign in   |  Join   |  Help
Untitled Page

ARCHIVED FORUM -- March 2012 to February 2022
READ ONLY FORUM

This is the second Archived Forum which was active between 1st March 2012 and 23rd February 2022

 

Beomaster8000 repair/resoration

rated by 0 users
This post has 61 Replies | 2 Followers

ALF
Top 100 Contributor
AUS
Posts 1,015
OFFLINE
Silver Member
ALF Posted: Thu, Mar 21 2019 8:53 AM

greetings ALL 😁

I decided to start a new thread with my new donor-unit BM8000 - this time in the correct forum !

this donor unit was purchased as a parts-reservoir but turned out in very nice cosmetic condition.

so I took a close look and noticed all boards were recapped, the displac is fine....well, so far so good.

further testing reveiled there are issues:

Plugged in it shows the StBy dot.

turning on, no relay clicking while the display comes on.....hmmm ?!

checked the power supply board....all associated transistors have tested fine off-board, all caps are in the correct way, all connector joints have been reflown.....?!

next thing I noticed the small heatsink with the 3 voltage regulators is getting VERY warm....?

next thing : with no relays energized I can measure the 15V and -15V regulator which should only be possible

when the start-up circuit gives the “green light”.

5V should be present at Pin14 / 9IC4 during STBY mode and going down to ‘O’ when ON is achieved....no, it remains at about 25mV

meaning: the BM according to this is actually out of ST BY !!

5V are only present at the 5V regulator when I disconnect P76 of the processor board ?

a faulty processor 9IC4 ??

I did change the two 2MHz crystals (as suggested as a precautional measure by Beolover) after removing 

both uPs for safety reasons......! No change !

I disconnected the keyboard in case the on/off key is stuck and used the remote to turn off/on  the BM....

no luck here either 😑

disconnected P51 and 50....no change.

well, what am I missing here ?

and this is only unexpected work at the donor-unit while waiting for those speaker switch replacement to

continue work/repair/restore on my original BM8000 project...😳

guess help is badly needed here πŸ™„

sonavor
Top 25 Contributor
Texas, United States
Posts 3,732
OFFLINE
Bronze Member
sonavor replied on Thu, Mar 21 2019 6:51 PM

Hi Alf,

Don't try to tackle too many issues at once. Right now it appears your issues are related to the power supply circuits. You need to troubleshoot the relays and see why they are acting the way they are. Determine if the relays are good or if the circuit controlling them is faulty. If you think the voltage regulators are running hotter than expected then check what their incoming voltage levels are. I would go through the power coming in from the transformers through the rectifiers and the power up circuit. Getting the power supplies in order first will make troubleshooting other issues a lot easier. Plus power supply problems will cause other things to fail so there is no sense hunting those things down until the power is fixed. You said the Beomaster has had a lot of restoration done on it already. You don't know if it was done correctly though. Someone might have made a mistake like an incorrect value or polarity. You will need to double-check everything that was done.

John

chartz
Top 25 Contributor
Burgundy, France
Posts 4,171
OFFLINE
Gold Member
chartz replied on Thu, Mar 21 2019 8:34 PM

Hi Alf,

No time to delve into that tonight but I’ll certainly be around!

I have two working ones.

Jacques

chartz
Top 25 Contributor
Burgundy, France
Posts 4,171
OFFLINE
Gold Member
chartz replied on Fri, Mar 22 2019 12:49 PM
Try switching it on with both amp modules disconnected. I’d do that first. Then plug back each amp separately and see what happens.

The left side cooler does get quite warm, that’s normal. So to me this is a rather good sign, if anything.

Jacques

Lonnie
Not Ranked
Posts 70
OFFLINE
Bronze Member
Lonnie replied on Sat, Mar 23 2019 1:24 AM

Hi ALF,

I agree with a previous post of John's about faulty relays, I've also had to replace RL2 on a BM8000 I recapped a couple of years ago.

I'd measure the collector voltage of 6TR18 after you  plug the unit in and it's gone into Standby. It should be around -24v. When you try to power the unit on the collector voltage should increase to around -0.2v. If this happens and if you measure 0v at 7R1 then then I'd replace RL2. If the voltage doesn't change at the collector then I'd look for a fault in the relay circuit (6TR11/12/18).

Once you've resolved the issue with RL2 you can see if there is also an issue with RL1 or not.

Regards

Lonnie

ALF
Top 100 Contributor
AUS
Posts 1,015
OFFLINE
Silver Member
ALF replied on Sat, Mar 23 2019 9:33 AM

Thanks John,

indeed, checking someone else’ work is worth doing:

first finding were on the tone/filter board with 2 caps in the wrong way (πŸ™„) and a cracked IC2 chip.

Off to the power supply board 6: all caps are fine and put in the correct way, good news....

with P76 unplugged I have all voltage regulators IC4/5/6 delivering with

IC4 (5V) gets 11.3V supply, IC5(+15V) gets 24.4V supply and IC6(-15V) gets -25.2V and  P48 pin2/3 delivers 5V.

 

so far so good but, I am loosing the 5V the  moment I plug in P76 to the processor board - still scratching my head WHY ??

the processor board should get the 5V supply via P76 pin8/9. Unless I crack that 5V supply voltage issue I won’t even progress to further check RL1/2!

something must shorten out the 5V supply in the processor board ?? Damaged uProcessor ??.

btw, it is the same scenario with unplugged output boards 5, as thing Jacques suggested.

sorry Lonnie, I could not even get to your suggestions - many thanks for getting on board!

ALF

sonavor
Top 25 Contributor
Texas, United States
Posts 3,732
OFFLINE
Bronze Member
sonavor replied on Sat, Mar 23 2019 3:45 PM

If you probe at P76 before plugging it in and there is 5V then lose it on plugging it in then there must be a short there. You said earlier you changed out the microcomputer IC oscillators. Did you remove the microcomputer ICS when you did that?  If so, did you make sure the oscillators were shorted while doing the procedure?  It is too late to worry about now but in the future one shouldn't really mess with the oscillators unless there are symptoms there is a problem related to it. I do change them out on restorations that involve expensive shipping just as extra insurance the unit won't develop a fault and have to be shipped back.

For now you need to verify the board is causing the short then see what component or trace is doing it. Since someone else previously worked on the board perhaps a bad solder attempt shorted a trace.  


John

ALF
Top 100 Contributor
AUS
Posts 1,015
OFFLINE
Silver Member
ALF replied on Sun, Mar 24 2019 1:48 AM

thanks for your getting back John, I guess ‘guilty as charged!’

no, I did not shorten the crystals 😒 but I carefully removed the two uPs before I caried out the operation and reset both on new machined tulip-style sockets. Quite possible that I may have damaged the main processor ??

too late now to worry about - i do remember now when I studied how to do that.

there are definitely 5V present at the loose end of female P76, meaning the connecting cable is fine. 

As I understand the 5V come in to board 9 via P76 pin 8/9 !.....9C86, 9L4, 9D6, 9C85 as first ports on entry ?!

time to re-check the soldering again, ....done that twice, but perhaps I missed a accidental bridge ?

ALF

ALF
Top 100 Contributor
AUS
Posts 1,015
OFFLINE
Silver Member
ALF replied on Sun, Mar 24 2019 3:17 AM

Ok,

solder-bridge at 9L7 !!!

the 5V supply has been restored πŸ™„πŸ˜

the uP test came out as ‘TP’ πŸ€™πŸ™

now I get a chance to follow uo on Lonnie’s suggestion about a possibly faulty 7RL1 or 2...

I’ll be back

ALF

ALF
Top 100 Contributor
AUS
Posts 1,015
OFFLINE
Silver Member
ALF replied on Sun, Mar 24 2019 4:06 AM

Hi Lonnie,

just measured through your suggestions:

6TR18-C showed

about +430mV in STBY

about 17.imV in ON

and at 7R1 fluctuating voltages somewhere between -100mV to - 1.1V

shouldn’t I see about -25V at the kathode of 7D2 ?? I get basically 0V

ALF

Lonnie
Not Ranked
Posts 70
OFFLINE
Bronze Member
Lonnie replied on Sun, Mar 24 2019 6:16 AM

Hi ALF,

The measurement on 7R1 should be an AC voltage measurement, can you confirm if that was the case?

The anode of the diode 7D2 should always be at -23v or thereabouts. The cathode should be -23v in STANDBY and -02v (approx) during ON.

Do you still have the -15v while in STANDBY? If you do do you have -23v at P51(2)?

Regards

Lonnie

ALF
Top 100 Contributor
AUS
Posts 1,015
OFFLINE
Silver Member
ALF replied on Sun, Mar 24 2019 10:32 AM

Apologies Lonnie,

dived straight into verifying your suggestions - should have looked at the circuit diagram....didn’t realise that 6TR18-C is against ground....

you can’t measure ground against ground !

I have to revisit the measurments and will report back once done.

ALf

ALF
Top 100 Contributor
AUS
Posts 1,015
OFFLINE
Silver Member
ALF replied on Sun, Mar 24 2019 11:20 AM

Hi Lonnie,

at 7R1 I get about 27VAC in STBY and about 2VAC in ON mode.

no, I don’t  have the -15V anymore in STBY.

I can not verify the measurments at 6TR18 you suggested ?!

ALF

ALF
Top 100 Contributor
AUS
Posts 1,015
OFFLINE
Silver Member
ALF replied on Mon, Mar 25 2019 6:28 AM

Ok,

I checked and trsted off-board 6TR18 once again - no adverse findings.

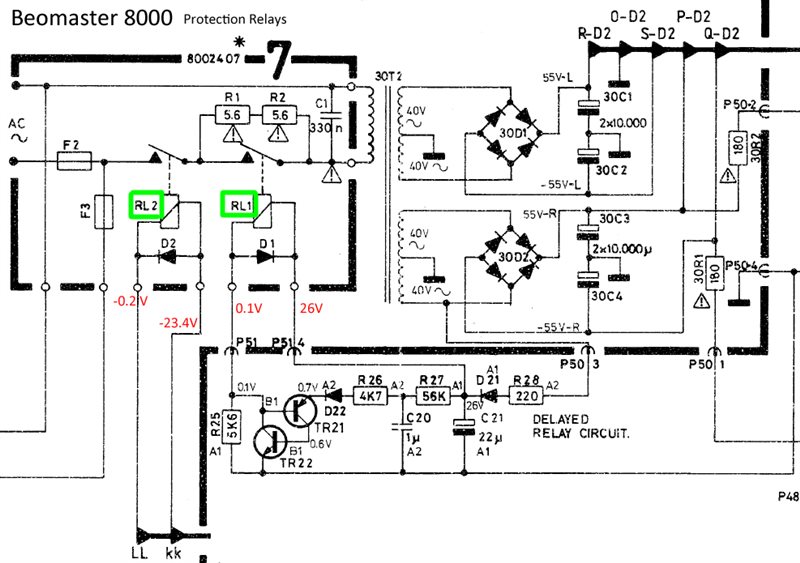
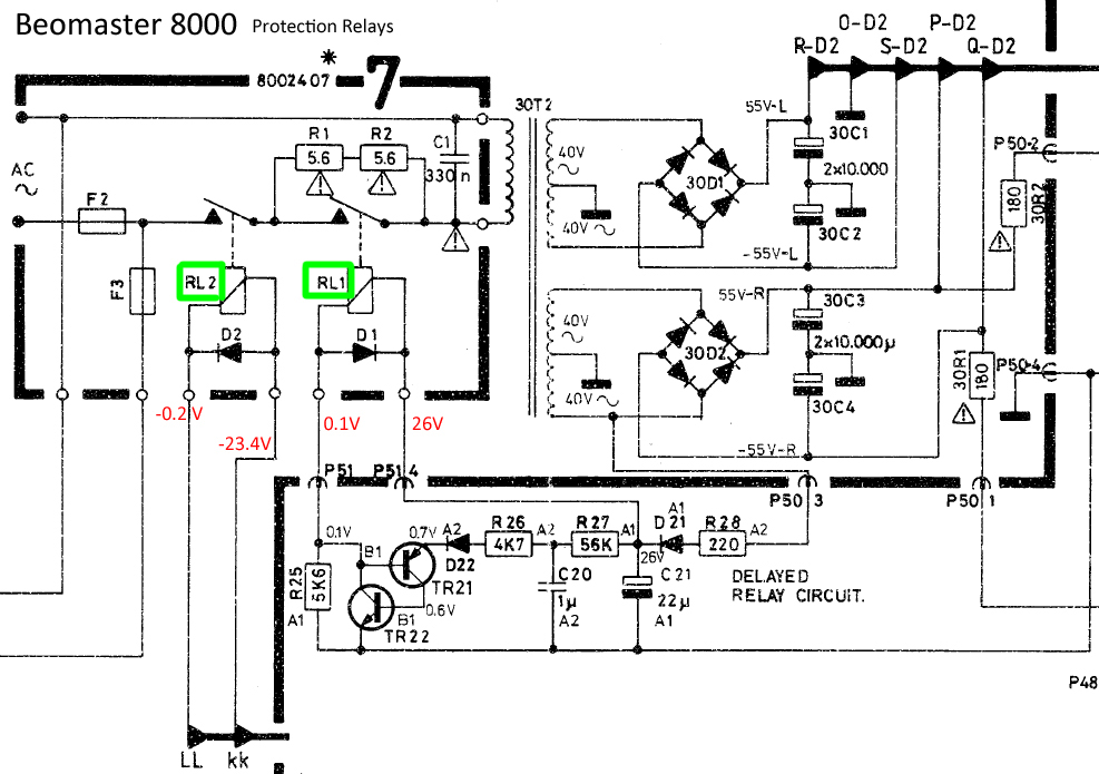
as per circuit diagram its collector is connected via P51- pin1 to 7RL2.....

here is where the problem may be hiding?

took out RL2, checked the resistance of its coil.....OL !!! Meaning its coil is burnt 😳😒

now the tricky part: 

where do I get a replacement relay ?

any suggestions are most welcome - thank you

ALF

Lonnie
Not Ranked
Posts 70
OFFLINE
Bronze Member
Lonnie replied on Mon, Mar 25 2019 11:11 AM

Hi ALF,

The replacement relay I used was:

SPST, Coil: 24VDC,  Switching Current: 10A@240VAC,  Coil resistance: 880ohm.

I found some 5A relays with a max current rating of 7A but decided to go with the 10A instead. The 5A is probably ok for the 240V version of the amp given that the fuse F2 is spec'd at 4A.

You can buy it here:

https://www.ebay.com.au/itm/24V-10A-RELAY-SPST-TYCO-EBERLE-SHRACK-AUS-STOCK-/180538893095

 

I've had a look at the power supply ON sequence and realised that the -23v is only going to be available when the the amp is switched out of STANDBY to ON. The C of 6TR18 will be 0v at standby and around -0.2v when ON. It will be easier to see if the relay engages once you replace it rather than measuring the voltages at C of 6TR18 again.

Regards

Lonnie

ALF
Top 100 Contributor
AUS
Posts 1,015
OFFLINE
Silver Member
ALF replied on Tue, Mar 26 2019 12:18 AM

MANY thanks Lonnie,

I ordered the one you suggested - I wonder if that would be suitable as a RL1 replacement as well....just in case ?!

will report back with further progress.

best

ALF

ALF
Top 100 Contributor
AUS
Posts 1,015
OFFLINE
Silver Member
ALF replied on Tue, Apr 2 2019 10:36 AM

Ok,

back on the project:

it turned out both of the old relays RL1 & 2 were dead. Today was the big day .....well and truly !

two new Shrack relays in.....and both relays clicked 😁. Nice, but short lived !

after adjusting the no-load current and connecting two speakers the BM suddenly disappeared in a cloud of stinking smoke coming from board #7 - the start-up circuit ! 😑😑

what happened was C1 - the 330nF/275V cap - blew up in smoke - a miracle the smoke alarm wasn’t triggered.

now, the big question is: was this cap pre damaged and could not perform the intented task (as both relays were dead to begin with, reasons unknown)

or is there another likely cause ?

that cap seems difficult to find, unless I order 5 or more, which is a small problem in the scheme of things.

Could I risk a 470nF / 275V cap for the job as well or is this similar to changing a fuse for a higher spec one - an absolute NO !

Any thoughts from the crew of experts ?.......the uP still tests ‘OK’

thank you

ALF

ALF
Top 100 Contributor
AUS
Posts 1,015
OFFLINE
Silver Member
ALF replied on Tue, Apr 2 2019 11:01 AM

Well, an additional question for 7C1 replacement would be:

Kemet paper cap or Polypropelene cap ??

ALF

Dillen
Top 10 Contributor
Copenhagen / Denmark
Posts 13,191
OFFLINE
Founder
Moderator
Dillen replied on Tue, Apr 2 2019 12:15 PM

The two relays are not identical!

Martin

Dillen
Top 10 Contributor
Copenhagen / Denmark
Posts 13,191
OFFLINE
Founder
Moderator
Dillen replied on Tue, Apr 2 2019 12:17 PM

The suppression capacitor MUST be a Class X!

Martin

ALF
Top 100 Contributor
AUS
Posts 1,015
OFFLINE
Silver Member
ALF replied on Tue, Apr 2 2019 12:31 PM

Thanks Martin.....just what I suspected !

can you recommend or perhaps suppy a suitable one for 7RL1 ?

thanks

ALf

ALF
Top 100 Contributor
AUS
Posts 1,015
OFFLINE
Silver Member
ALF replied on Tue, Apr 2 2019 12:33 PM

Understood ! Thanks for clarifying that  for us.

most helpful 😁

ALF

sonavor
Top 25 Contributor
Texas, United States
Posts 3,732
OFFLINE
Bronze Member
sonavor replied on Tue, Apr 2 2019 6:57 PM

This is an interesting issue. I have only replaced these 7RL1 and 7RL2 relays one time and I did it by changing the relays from one Beomaster 8000 spare unit to the one I was repairing. I didn't pay attention to the two relays as they looked the same and I replaced 7RL1 to 7RL1 and 7RL2 to 7RL2. The Beomaster service manual does list the two relays with separate B&O part numbers -
7RL1: 7600053
7RL2: 7600060

I have never found any specifications on them.

Today I opened up one of my spare Beomaster 8000 units I haven't got around to restoring yet. I took the two relays out for examination.
Here are a couple of pictures.

They look identical but you can see the manufacturer markings are different numbers - BV 1004 for 7RL1 and BV 1044 for 7RL2.

7RL2 had a sticker with the number 2375005 on it.  I also see a number -  802105 embossed on the 7RL1 case. No number embossed on the 7RL2 case.

I measured the coil resistance on both relays and they are the same (around 980Ω). When I get a chance this evening I will checkout their switching voltages.

If anyone has spec sheets on these two relays it would be appreciated.

John

 

 

 

 

 

sonavor
Top 25 Contributor
Texas, United States
Posts 3,732
OFFLINE
Bronze Member
sonavor replied on Wed, Apr 3 2019 2:31 AM

Hi ALF,

I found this relay: Omron G2R-1A-E-DC24
It has a maximum coil voltage rating of 170% of the rated 24VDC coil voltage.

That will handle both the requirements for 7RL1 and 7RL2.
Looking at the Beomaster 8000 startup circuit schematic

The 7RL1 coil voltage can be over 24VDC so the 170% rating of the Omon G2R will work for that. The 7RL2 relay coil should be 24VDC.

John

 

ALF
Top 100 Contributor
AUS
Posts 1,015
OFFLINE
Silver Member
ALF replied on Wed, Apr 3 2019 1:02 PM

Hi John,

so much work has gone into this.....thank you very much πŸ˜πŸ€™

glad I threw up something interesting for our readers & followers.

does that mean Lonnie’s Schrack relay choice should not be used as a RL1 replacement ??

i noticed the different B&O part numbers in the SM but as you mentioned....in the absence of any further info on the parts......!

a quick recap:

after measuring open coils on both the old relays, something that appeared to be the reason for not getting energised I used two of the Schrack relays.

that seemed fine as both got energised after turning the BM ‘ON’. 

What worries me is the fact that after connecting the speakers (co-incidence I wonder ??, unrelated perhaps ?) 

suddenly the supression cap 7C1 got destroyed smoking madly !!

i believe the “fire” was contained to the start-up board.

now the chase is on for the OMRON relay.....and then we shall see what happens next ?

ALF

sonavor
Top 25 Contributor
Texas, United States
Posts 3,732
OFFLINE
Bronze Member
sonavor replied on Wed, Apr 3 2019 2:57 PM

Hi ALF,

The 7RL1 relay can see more coil voltage than the 7RL2 relay. The coil resistance of the relay is a factor in that. Without any spec sheet on the Schrack relay we don't know what the maximum coil voltage can be. We have the Omron spec though and it shows an 1100Ω coil resistance and a maximum coil voltage of 170% of the rated coil voltage (which is 24V). So the Omron will handle up to 40.80VDC. The voltage across 7RL1 should be less than 30VDC.

John

ALF
Top 100 Contributor
AUS
Posts 1,015
OFFLINE
Silver Member
ALF replied on Tue, Apr 9 2019 1:03 PM

Hi John,

work has resumed, the Omron relays are installed as well as a new 330nF suppression cap - I ordered the same typ as seen in your picture, class X2.

while waiting for the paper caps I got hold of a metallized/polyprop class X2 / 330nF cap, which is also used for the same purpose - should I go back and reinstall the original paper cap type instead ??

all relays are getting energised and nothing has gone up in smoke yet πŸ™„, however the same issue seems to haunt me: where is the volume ??

repaired the vol-wheel assembly and resoldered one of the short ribbon connectors from the control panel (common prob)

by turning the vol wheel I can see the display changes the indicated levels but I can only get a very soft sound when its up to almost level 6 ?

tried both speaker terminals - no luck. Speaker switches move freely as well.

no-load current and DC offset have been adjusted as per SM on both output boards. Must try the headphone output to see if that works ?!

in one older thread I noticed one member changed the AD10/192 switching IC for a AD7512 chip........also having issues with the volume.

it may have been slightly different from the problem my BM displays.....perhaps a lead if that device is blocking the full signals.??

i did try to use the TP2 input, feeding a sinewave signal from my iPad.....nothing has come through or was audible !

feels like I am moving in circles.

i’ll be back !!! 🀬🀬

ALF

sonavor
Top 25 Contributor
Texas, United States
Posts 3,732
OFFLINE
Bronze Member
sonavor replied on Thu, Apr 11 2019 6:10 PM

Hi ALF,

I still suspect the volume circuit on the filter and tone control board but to isolate that I suggest taking the preamp board from your other Beomaster 8000 and swapping it in this one. If the problem is the same I think you can eliminate the preamp and those multiplexer devices. If the problem goes away then you just have the preamp board to deal with.

Assuming the preamp is good, you are left with the filter & tone control board. You verified the volume control IC was getting signals from the microcomputer board and the volume display functions. That leaves the volume control circuit or a faulty connection (cable/connector) somewhere in the path. 

John

ALF
Top 100 Contributor
AUS
Posts 1,015
OFFLINE
Silver Member
ALF replied on Thu, Apr 18 2019 8:56 AM

Hello John,

finally found some time to undertake some further testing:

sadly both BM8000, which are currently in intensive care displaying the same volume behaviour.

one of them had the volume attenuator chips on the tone/filter board replaced but the same issue....?

I checked again the logic-table for MSB and LSB according to the SM and both, P28 and P29 are getting the correct signals!

I even tried a replacement chip on the tone/filter board : AD7512  for  AD10/192 ...same issue !

that is totally wheird, unless those AD7110 attenuator chops are fakes and the original ones dead.

there are no problems with the connections....at least not that I can verify one.

back to work.....

ALF

Dillen
Top 10 Contributor
Copenhagen / Denmark
Posts 13,191
OFFLINE
Founder
Moderator
Dillen replied on Thu, Apr 18 2019 10:02 AM

If you can provide photos of the ICs we can most likely tell you, if they're fakes.

Martin

ALF
Top 100 Contributor
AUS
Posts 1,015
OFFLINE
Silver Member

tricky to capture - hope you can see the difference on the imprint on the two ICs:

 

Dillen
Top 10 Contributor
Copenhagen / Denmark
Posts 13,191
OFFLINE
Founder
Moderator
Dillen replied on Fri, Apr 19 2019 6:26 AM

Lettering is printed. Should be laser-engraved.

Counterfeit, I'd say.

Martin

 

ALF
Top 100 Contributor
AUS
Posts 1,015
OFFLINE
Silver Member
ALF replied on Sun, Apr 21 2019 2:43 AM

I can’t possibly speculate whether those AD7110KN attenuator chips are a “popular source” of vol7me issues  ?

disappointing, it is such a pain to find some good parts these days - practically everything seem to come out of China - there is no real supplier choice !!

I gave it another go from a different (chinese) supplier πŸ™„ and ordered some more AD7110 ICs. Everything seem to point towards the 

tone/filter board and its volume attenuators....can’t think of a different problem source unless all power transistors in both channels are dead....

but then the fault switch would become active .....or is it ?!

let me repeat:

all interconnecting cables/connectors are fine - appropriate volume signals are coming through from the uP board to the tone/filter board, both attenuator ICs are getting the vol signals!

any other ideas......?

ALF

ALF
Top 100 Contributor
AUS
Posts 1,015
OFFLINE
Silver Member
ALF replied on Tue, Apr 30 2019 10:58 AM

Hi everyone,

back on the job finally delivered a win.....

one question remains: what is a stupid mistake ?

I dare to say there isn’t one as we all do “those” in moments of distraction, frustration, tiredness ect......

gone back to the SM and its table of interconnections between boards - rechecked the wiring again....guess what ?

4P27 was connected to the wrong plug !!! 🀬 which was the reason for the “volume issue”

for now one of the two patients BM8000 is working fine and enjoying life again  — πŸ€—

the work now turns to the other BM8000 with the obvious similar “volume issue”.....no, all interconnections are fine 😬

which brings me to the last comments and replies about fake ICs....a new lot of volume attenuator chips AD7110 is coming

as this time it looks as the problem is on the tone/filter board ?!?!

again, the volume can be turned up and down with corresponding numbers on the display but nothing but a hiss is audible ?

will get back with some more news once the second lot of good “fakes” AD7110 has arrived.

in the meantime don’t hesitate to reply with alternative pointers or suggestions....

thank you

ALF

sonavor
Top 25 Contributor
Texas, United States
Posts 3,732
OFFLINE
Bronze Member
sonavor replied on Tue, Apr 30 2019 5:04 PM

Hi Alf,

I'm glad you got the one problem sorted out. On my Beomaster 8000 restoration projects I started labeling both ends of all the connectors. Going by memory was not cutting it for me and it is much less stressful to just read and match the connector number on the cable with the board....with the exception of the preamplifier board which had no room for B&O to print any connector labels.  While most of the connectors have keys there are two or three that have the same key and can be connected wrong, as you found out. 

John

Craig
Top 50 Contributor
Yarm, United Kingdom
Posts 2,040
OFFLINE
Silver Member
Craig replied on Tue, Apr 30 2019 5:50 PM

I take lots of pictures at each stage of the strip down.....and before too, always helps

craig

Saint Beogrowler
Top 150 Contributor
Saint Paul
Posts 780
OFFLINE
Bronze Member
Craig:

I take lots of pictures at each stage of the strip down.....and before too, always helps

craig

The absolute truth right there. And thanks Craig for sharing your pictures as you have been.
chartz
Top 25 Contributor
Burgundy, France
Posts 4,171
OFFLINE
Gold Member
chartz replied on Sun, May 5 2019 9:30 AM
Remember the time when we actually drew before taking apart?

Stick out tongue

By the way, was the chip indeed a fake? Good to know.

Jacques

Craig
Top 50 Contributor
Yarm, United Kingdom
Posts 2,040
OFFLINE
Silver Member
Craig replied on Sun, May 5 2019 9:42 AM

Actually I sometimes still do......though I take a lot of pics from different angles, in my work I used to do a lot of site surveys and make lots of sketch's....now the digtal camera does all of that, and the pics get embedded in reports etc.

Craig 

mdockrell
Not Ranked
Dublin
Posts 32
OFFLINE
Bronze Member
mdockrell replied on Sun, May 5 2019 12:02 PM

am waiting for a Beomaster 8000 to arrive so am following this with interest. Seller claims is working perfectly but we shall see. 

Page 1 of 2 (62 items) 1 2 Next > | RSS