ARCHIVED FORUM -- March 2012 to February 2022READ ONLY FORUM
This is the second Archived Forum which was active between 1st March 2012 and 23rd February 2022
Hi Beoworld-
I have a pair of the subject speakers. They sould nice but want to ensure they are ready for another 40 Plus years.
I pulled the grill and oval driver to see inside. The crossover has a lot of extra "stuff" going on with the external tweeter option & variable resistor for volume contro of the mid range. I am thinking that all I should do is replace the 3 metal can capacitors?
Questions:
1. Should I just replace the 3 metal capacitors?
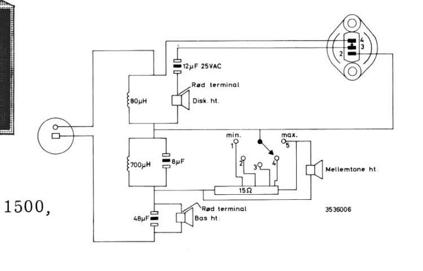
2. Does anyone have a crossover diagram or know capacitor values?
3. How does the crossover come out? is it glued into place?
4. Any thoughts on an upgrade for the tweeter?
5. good source for similar speaker grill cloth?
I would really appreciate feedback on any one of these 5 questions.
Yes
Yes and 8uF, 12uF and 48uF
Screwed if I remember correctly.
That would be a shame with this rare vintage speaker.If you want a modern sounding speaker, I suggest you buy such a thing.
5. good source for similar speaker grill cloth?None except for similar speaker donors.If you have a damaged cloth let me know and I can take a look in the dungeons.
Martin
Martin-
Thank you for the quick reply. I do have one speaker with damaged cloth. It is black and silver weve. I might be interested in replacing it if you have one.piece that would fit.
Should I replace the fiberglass with polyfil or just leave the fiberglass?
Thanks!
Roger
Also I was able to get the crossover out and the capacitors were 8, 8 and 50 uf. Not 8, 12 and 48
"Should I replace the fiberglass with polyfil or just leave the fiberglass?"- If this is the rockwool damping material I would gladly leave it as-is. It'll be fine.It's the dark wooly material that was used in later models, that starts to smell horribly if once moist.
There can be production changes that we aren't aware of, but it could also be, that the capacitors were already replaced.The schematics for Beovox 1500 Type 6209, usingPeerless MT 25 HFC TweeterPeerless G 50 MRC MidrangeSeas 28/17 TV-GW Woofer:
I will open the other speaker up and check the capacitors.
It is a light color insulation. I dont think it is rockwool.
Second speaker has 2 8 and 1 50uf capacitors. This looks like original caps as well with no signs of them being replaced.
Should I go back to original design 8, 12 & 48uf or stay with 8, 8 and 50uf?
Look forward to your opinions so I can get the caps on order.
In cases like this I like to trust and go with what the factory fitted.A 12uF instead of an 8uF would give a liitle more treble, but the factory apparently took it down a little for whatever reason.
Rockwool is light yellow'ish in color.
Im one who appreciates good treble so I will go with factory recommendation.
Thanks again.
I'll report in a week or so when I get the new caps and give them a test!
I would say Rockwool is medium grey. The light yellow material is Gullfiber.
https://www.google.com/search?q=rockwool&source=lnms&tbm=isch&sa=X&ved=2ahUKEwiC14Wd4proAhXKwqYKHXbSCwkQ_AUoAXoECBcQAw
You decide.