Sign in   |  Join   |  Help
Untitled Page

ARCHIVED FORUM -- March 2012 to February 2022
READ ONLY FORUM

This is the second Archived Forum which was active between 1st March 2012 and 23rd February 2022

 

Beomaster 1900-2 T2903 dead after recap

rated by 0 users
This post has 48 Replies | 0 Followers

Andreas
Not Ranked
Vienna
Posts 72
OFFLINE
Bronze Member
Andreas Posted: Tue, Dec 1 2020 12:35 PM

Hello, i wanted to rejuvenate my Beomaster 1900-2 Type 2903 which i own for a very long time. I replaced all my capacitors, rectifier, lamps and idle trimmers with Martins kit. I also changed the 2 big reservoir capacitors with two F&T Al-Elko 4700uF -10+30% 40v 

I took my sweet time and worked very carefully, double/tripple checked everything and checking polarity of capacitors. When plugging it to a power source the machine is just dead. There is no click, no light, nothing...

I again checked every solder joint but everything seems to be fine. Do i have to do anything else when swapping so many parts ? My BM worked fine before i just wanted to give it back some freshness in sound and to get rid of the humming noise on my left channel. I got the capacitor kit from Martin and from the 100uF there were only ones with 50v where as some original capacitors read 100uF 16v so i guess that is ok ? I of course used these for all the 100uF capacitors. There is also this big 2200uF radial capacitor in the kit for C92 which has arrows pointing in both direction, usually the arrow points to negative. I went with the dented end to be positive. Is that correct ? 

I uploaded two pictures on to my profile, somehow i cant insert it into my text here.

I really need to get this beauty back running, every help is very much appreciated 

 

sonavor
Top 25 Contributor
Texas, United States
Posts 3,732
OFFLINE
Bronze Member
sonavor replied on Tue, Dec 1 2020 2:07 PM

Hi,

You insert your photos from your Beoworld photo folders using the little filmstrip icon on the posting editor. It is in the middle of the edit bar at the top of the edit box.

I have to ask this basic question first.  Did you make sure the master on/off switch is working?  Maybe a wire is broken there?

-sonavor

Andreas
Not Ranked
Vienna
Posts 72
OFFLINE
Bronze Member
Andreas replied on Tue, Dec 1 2020 2:54 PM

i know but its not showing my photos from there. 

Anyway, yes i checked master switch. It works

sonavor
Top 25 Contributor
Texas, United States
Posts 3,732
OFFLINE
Bronze Member
sonavor replied on Tue, Dec 1 2020 3:25 PM

When you go to your Beoworld user profile and look at the folders there you see your uploaded photos?

Regarding the BM1900...
The master switch works but the Beomaster won't turn on and the Standby LED is not illuminated?
The place to start in this case is to measure the power supply.
Operate the Beomaster with the control panel removed and the tone/filter control board in service position.
That will allow you to access points on the Beomaster for measurement.
Make sure to always connect your measurement probes with the Beomaster unplugged. That will avoid any accidents when moving test probes around.

-sonavor

Andreas
Not Ranked
Vienna
Posts 72
OFFLINE
Bronze Member
Andreas replied on Tue, Dec 1 2020 4:06 PM

Yes i see the photos in my profile but not here. Can you see the pictures on my profile ?

 

I have the whole unit outside the housing, standing upright so i can access both sides. I know this sounds a bit daring but i'm very careful. There is one ground cable which is supposed to go to the chassis but i dont think its relevant to power up the amp ? 

Stand by light wont light up 

Andreas
Not Ranked
Vienna
Posts 72
OFFLINE
Bronze Member
Andreas replied on Tue, Dec 1 2020 4:42 PM

I dont get the 15v at TP16 

sonavor
Top 25 Contributor
Texas, United States
Posts 3,732
OFFLINE
Bronze Member
sonavor replied on Tue, Dec 1 2020 5:43 PM

You have the service manual, correct?

Section 6-1 shows the related circuitry for Standby. Check those components and voltages next.
If you don't have the service manual you can download it from the Beoworld technical manuals section with a membership of Silver or higher.

Regarding your photos, I see two photos that you uploaded on your profile page.

-sonavor

Andreas
Not Ranked
Vienna
Posts 72
OFFLINE
Bronze Member
Andreas replied on Tue, Dec 1 2020 5:53 PM

Ok i will try that and get back to you. Thank you for guiding me. Its my first big restauration 

Andreas
Not Ranked
Vienna
Posts 72
OFFLINE
Bronze Member
Andreas replied on Tue, Dec 1 2020 9:51 PM

I dont read any voltage on the two big reservoir caps, i think i have an issue at the power supply. Maybe these are not the right capacitors for this job ? 

I also found that the quick fuse near the rectifier has blown, also the fuse clip at the power supply was loose. I soldered it back on and replaced the quick fuse but still no lights. 

sonavor
Top 25 Contributor
Texas, United States
Posts 3,732
OFFLINE
Bronze Member
sonavor replied on Wed, Dec 2 2020 12:56 AM

The reservoir capacitors are for the output amplifier +-31 VDC rails. They don't get powered until the Beomaster 1900 switches to active mode from Standby. The relay has to engage for that to happen. 

Check sections 6-1 and 6-2 of the service manual. Measure the voltages on those components and I think they will show you what is not working.
See if the +15 VDC for that Standby circuit is present.

-sonavor

Andreas
Not Ranked
Vienna
Posts 72
OFFLINE
Bronze Member
Andreas replied on Wed, Dec 2 2020 2:02 PM

Can i do measurements without the EQ board ? 

Andreas
Not Ranked
Vienna
Posts 72
OFFLINE
Bronze Member
Andreas replied on Wed, Dec 2 2020 2:11 PM

There is 0v on the stand by / volum control board. 

Dillen
Top 10 Contributor
Copenhagen / Denmark
Posts 13,191
OFFLINE
Founder
Moderator
Dillen replied on Wed, Dec 2 2020 2:26 PM

Rectifier fitted correctly?
AC present on the rectifier input pins?
Power switch ON and working (AC mains on the switch output)?
AC mains present on the fuses?

Martin

Andreas
Not Ranked
Vienna
Posts 72
OFFLINE
Bronze Member
Andreas replied on Wed, Dec 2 2020 2:47 PM

i uploaded a picture on to my profile with the rectifier.

For some reason it doesnt show my picture in the forum. Maybe the Admin can do something about that ?

Anyway i will measure it again after i put everything back into the chassis. I guess its safer to do measurements 

The quick fuse blew again and now i am measuring 7,9v on the quick fuse near the rectifier

Andreas
Not Ranked
Vienna
Posts 72
OFFLINE
Bronze Member
Andreas replied on Wed, Dec 2 2020 3:32 PM

AC Cable switch is working

Rectifier reads AC = 16v  DC = 20,5v

 

Andreas
Not Ranked
Vienna
Posts 72
OFFLINE
Bronze Member
Andreas replied on Wed, Dec 2 2020 3:32 PM

Rectifier reads AC = 16v  DC = 20,5v

Dillen
Top 10 Contributor
Copenhagen / Denmark
Posts 13,191
OFFLINE
Founder
Moderator
Dillen replied on Wed, Dec 2 2020 3:49 PM

Fine so far.

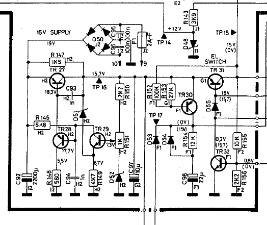
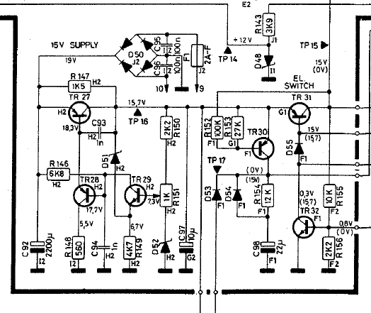
How about the voltages on the regulator transistor TR27, then?

Martin

Andreas
Not Ranked
Vienna
Posts 72
OFFLINE
Bronze Member
Andreas replied on Wed, Dec 2 2020 4:12 PM

TR27= 20,5v   0,003v    20,0v 

Dillen
Top 10 Contributor
Copenhagen / Denmark
Posts 13,191
OFFLINE
Founder
Moderator
Dillen replied on Wed, Dec 2 2020 6:02 PM

Is TR27 shorted E-C ?
Should've had only about 16V on the collector.

Martin

Andreas
Not Ranked
Vienna
Posts 72
OFFLINE
Bronze Member
Andreas replied on Wed, Dec 2 2020 7:07 PM

I turned the unit off and measured using the multimeter in diode mode.

Both ways between E-C the reading goes up gradually starting at 0,2v 

Andreas
Not Ranked
Vienna
Posts 72
OFFLINE
Bronze Member
Andreas replied on Wed, Dec 2 2020 7:22 PM

I measured the voltage again with ECB tags to make it clear

TR27 E 20,4v   C 2,8mV    B 19,9v

Andreas
Not Ranked
Vienna
Posts 72
OFFLINE
Bronze Member
Andreas replied on Wed, Dec 2 2020 7:32 PM

TR28= E 20,3v   C 0v    B 20,7v

D5 goes through both ways but i guess thats alright 

I measured AC on F1 & F2 they measure 160v and 65v is that correct ? 

manfy
Top 500 Contributor
Posts 185
OFFLINE
Bronze Member
manfy replied on Thu, Dec 3 2020 10:40 AM

Andreas:

TR28= E 20,3v   C 0v    B 20,7v

D5 goes through both ways but i guess thats alright  

Not really! 2D51 is a 9.1V zener, 2D52 a 5.6V zener. Both diodes are important for the proper function of the 15V regulating circuit TR27/28/29.

 

TP16 should measure 15.7V as soon as the unit is plugged in switched on with the main on/off switch -- provided the regulator circuitry is working and properly adjusted with R151.

You said earlier that 2F1 blew several times. I'd be worried about that. 2 amps is a lot of juice and fuses don't just blow for the fun of it! Since the unit worked before you started recapping it, I'd say something went wrong while doing it, e.g. a solder bridge, something wrong with C92, C97, etc, etc.
If I were you, I'd investigate this with the unit disconnected, i.e. visual inspection, continuity measurements and so on. Look out for signs of overload in the vicinity of the standby rectifier - burn marks, distinctive "electrical" smell and that sort of thing.

Andreas
Not Ranked
Vienna
Posts 72
OFFLINE
Bronze Member
Andreas replied on Thu, Dec 3 2020 11:03 AM

Hi Manfy, thank you for your input. I am learning a lot on the fly from you guys. I checked the whole board with a magnifying glass for any bad solder joints. I can say that i have pretty good soldering skills :)  I think i broke something because i had the board outside the chassis and i may have caused a short while testing. 

I will do the measurements and get back to you guys. Thanks again for helping me out. 

 

Andreas
Not Ranked
Vienna
Posts 72
OFFLINE
Bronze Member
Andreas replied on Thu, Dec 3 2020 11:49 AM

So just to be clear the zener diodes 2D51 and 2D52 are blown because i read voltage both ways on the multimeter in diode mode ? I should change these first right ? 

manfy
Top 500 Contributor
Posts 185
OFFLINE
Bronze Member
manfy replied on Thu, Dec 3 2020 12:27 PM

Andreas:

So just to be clear the zener diodes 2D51 and 2D52 are blown because i read voltage both ways on the multimeter in diode mode ? I should change these first right ? 

Crying No!! Do NOT start changing parts without having figured out first what the root cause for this damage was! My impression is that you're fishing right now and you're eager to get the Beomaster running as soon as possible. It's exactly that eagerness that can lead you on a path of destruction for the rest of this year and a good part of next year. Embarrassed

Diodes usually have a forward voltage of around 0.6-0.8V; the reverse voltage is infinity or, in the case of zener diodes, their nominal zener voltage.
It depends on your multimeter what voltages it uses in diode mode. My Fluke goes up to 3.1V, so it would measure infinity in reverse direction, but there are others that use 5 or 10V. You need to give us the reading in forward and reverse direction, so that we can figure out what those readings might mean.
The next problem is the fact that you're probably talking about in-circuit test, right? If so, you have to consider the surrounding circuitry when assessing the reading on the multimeter. If you're uncomfortable with Kirchhoff and his electrical circuit laws, it would be better and safer to remove the component and test it out-of-circuit.

 

manfy
Top 500 Contributor
Posts 185
OFFLINE
Bronze Member
manfy replied on Fri, Dec 4 2020 9:13 AM

Minor correction: It seems that the BM1900 has a mechanical on/off switch, so of course, 15.7V on TP16 will only be available after switching on and not after plugging in, as I had claimed earlier.

To get you jump-started with your troubleshooting:
- Measure the resistance between TP16 and GND. You'll probably measure a small value or a solid short circuit. This would explain the blown fuses F1.
- find the source of that short circuit and fix it. Since you changed the electrolytic capacitors, that would be the first place to look. C97 would be an obvious candidate. Don't trust the screen print on the boards when you're checking polarity, they could be wrong.
Another likely culprit is TR27. The collector is normally connected to the heat sink and if the heat sink is shorted to GND, you'd see the symptoms you're seeing.
- replace all damaged components in the 15V supply. TR27 is almost certainly dead, or else fuse F1 would have kept blowing. The zener diodes and/or TR28/29 may have died in the process of killing TR27. Check them with a multimeter and if in-circuit test doesn't provide meaningful measurements, remove them and test out-of-circuit.

Good luck.

Dillen
Top 10 Contributor
Copenhagen / Denmark
Posts 13,191
OFFLINE
Founder
Moderator
Dillen replied on Fri, Dec 4 2020 9:55 AM

Andreas:

I measured the voltage again with ECB tags to make it clear

TR27 E 20,4v   C 2,8mV    B 19,9v

Is TR27 no longer insulated from the heat sink?

Martin

 

manfy
Top 500 Contributor
Posts 185
OFFLINE
Bronze Member
manfy replied on Fri, Dec 4 2020 11:25 AM

Dillen:

Is TR27 no longer insulated from the heat sink?

Probably not. Good catch! Yes - thumbs up

Since he had to remove the transistor from the heat sink to take out the board, Andreas probably forgot to add the mica sheet when he put things back together. Or the mica sheet is damaged.

 

Andreas
Not Ranked
Vienna
Posts 72
OFFLINE
Bronze Member
Andreas replied on Sat, Dec 5 2020 10:13 AM

Hi, sorry for my late reply. I was busy moving to another place. Meanwhile i got a donor Beomaster 1900-2 for spare parts. Interestingly this broken one has a golden board and looks visibly much better in shape.  Anyhow, i think i always had the BD534 mounted on the heatsink. I even put new thermal paste between the mica sheet, transistor and heat sink. The legs might have gotten i bit bent but other than that i guess it should be fine. I will compare the measurements of BD534 from the donor. Maybe i blew it...

Ok i couldnt wait, i desoldered both and compared them measuring in diode mode:

Donor TR27 BD534 BtoC = 0.570v BtoE = 0.570v 

old TR27 BD534 BtoC = 0.514v BtoE = 0.525v

i soldered back the donor TR27

 

TP16 resistance to GND = goes up gradually starting 1k ohm 10k ohm upwards 

C97's polarity is correct

I guess the blown fuse was just my mistake while taking measurements. After putting in the a new fuse it didnt blow again when turning on.

Ok i didnt know about the heatsink thing of TR27 not allowed to touch GND. I had the plastic bushing on the other side haha maybe the nut made contact with GND. Anyway i soldered the new TR27 in and put everything back together and there is now no steady connection to GND between the backplate of TR27, heatsink and GND

desoldered and measured

TR28 BtoC = 0.656v BtoE = 0.660v 

TR29 BtoC = 0.630v BtoE = 0.633v 

 

I hope everything seems to be ok now, i'm feeling very tempted to turn it on but will wait for your last word :)

manfy
Top 500 Contributor
Posts 185
OFFLINE
Bronze Member
manfy replied on Sat, Dec 5 2020 10:39 AM

Andreas:

I hope everything seems to be ok now, i'm feeling very tempted to turn it on but will wait for your last word :)

NO !!!! Do NOT turn on the unit !! You will fry your new TR27! Crying

Explanations:

- you measured 2.8mV at the collector of TR27: The only plausible condition where this can happen (with 20V on the emitter) is if the 15V rail is shorted to GND. And that is a failure condition!
The backplane of TR27, which I call the heat sink of the transistor, is electrically connected to the collector. If this node is connected to chassis ground, i.e. the external heat sink for TR27, you're short-circuiting the 15V rail. The collector of TR27 MUST be insulated from the external heat sink and GND. That's what the mica sheet is for. 

You can test your board by not mounting TR27 on the heat sink. Since you only switch on the main switch without bringing the unit out of standby, this external heatsink is not needed. The idle current in standby should be only a few milliamps.

So, all you want to do right now is getting 15.7V on TP16. You don't want to run the whole unit yet.

"TP16 resistance to GND = goes up gradually starting 1k ohm 10k ohm upwards "
That sounds ok to me. You're charging C97 when you measure between these 2 points and that explains the rising 1-10k value. What do you measure on the donor unit between these 2 points?

Your transistor tests and voltages given are insufficient; you also must measure C-E; you should read infinity in forward and reverse direction. Even if it does, it is no guarantee taht the transistor is good. The C-E junction could be permanently open even if B-C and B-E read fine.
But that's nothing to worry about right now. 

"Anyway i soldered the new TR27 in and put everything back together and there is now no steady connection to GND between the backplate of TR27, heatsink and GND"
What do you mean by "steady connection"? An electrical connection? If yes, that would be bad as explained above.
Oops, sorry! I misread your post. You said "NO steady connection" and that is fine!

Anyways, since you have a donor unit now you should compare your resistance measurements between these 2 units. If conditions between these 2 units differ (e.g. TR27 mounted on heat sink on one unit but desoldered on the other) then pls says so.
Pls measure TP14/15/16/17 to GND (and use the same probe polarity in both units!)
All these test points are in and around the 15V circuit and the results can tell us something about the overall condition. That will help us decide if and when it is safe to do an actal power on test.

Thks.

Andreas
Not Ranked
Vienna
Posts 72
OFFLINE
Bronze Member
Andreas replied on Sat, Dec 5 2020 10:50 AM

Yes i will wait, thank you :)

Andreas
Not Ranked
Vienna
Posts 72
OFFLINE
Bronze Member
Andreas replied on Sat, Dec 5 2020 11:43 AM

The new TR27 is now properly installed with mica sheet and thermal paste. There is no connection between TR27 collector with the black heatsink when testing with multimeter in beep mode. When in diode mode the voltage does go up till 1v and then OL 

Measurement TP16-GND on the donor unit is same 1-10k ohm

When testing all the transistors i also measured reverse direction and these were all infinity/OL, sorry that i didnt mention this. 

forget the ''steady connection'' that was bad explaining from my side. As mention above, it should be mounted properly now Smile

Should i still take TR27 off the heat sink and then turn the unit on and measure voltage on TP16 ?

manfy
Top 500 Contributor
Posts 185
OFFLINE
Bronze Member
manfy replied on Sat, Dec 5 2020 11:56 AM

No, if TR27 is insulated now against GND then leave it as it is.

But please do the comparative resistance measurements with the donor unit on all TP test points mentioned above, before powering on. Maybe also compare the zener diodes without removing them. That can tell us quite a bit.

Andreas
Not Ranked
Vienna
Posts 72
OFFLINE
Bronze Member
Andreas replied on Sat, Dec 5 2020 1:02 PM

Repair unit

TP14 - 2-8k ohm

TP15 - 14.7 ohm

TP16 - 1.6-10k ohm  

 

Defect donor unit without TR27 installed, not sure if we can trust these measurements

TP14 - 2-8k ohm

TP15 - 0.4k ohm

TP16 - 1-10k ohm

Andreas
Not Ranked
Vienna
Posts 72
OFFLINE
Bronze Member
Andreas replied on Sat, Dec 5 2020 1:17 PM

Diode test on board 

Repair unit

D51 - 0,77v rising,   reverse - 0,69v

D52 - 0,77v - OL,    reverse - 0,66

 

Defect donor unit without TR27 installed, not sure if we can trust these measurements

D51 - 0,77v rising ,  reverse - 0,66v

D52 - 0,8-OL , reverse - 0,7v

manfy
Top 500 Contributor
Posts 185
OFFLINE
Bronze Member
manfy replied on Sat, Dec 5 2020 1:21 PM

Looks ok to me, EXCEPT: 14ohms on TP15?
That seems too low. That's over one amp once you bring the unit out of standby and the BD136 (TR31) can only take 1.5A

I think there's something wrong and worth investigating. Disconnect PCB7 so that you get rid of the low ohm light bulbs in parallel (IL1/2/3) and measure again.

Andreas
Not Ranked
Vienna
Posts 72
OFFLINE
Bronze Member
Andreas replied on Sat, Dec 5 2020 1:38 PM

PCB7 is the one with the little board with three bulbs ? 

TP15 without PCB7 at 26,3 ohm          so on TR31 there should be around 0,5A right ?

manfy
Top 500 Contributor
Posts 185
OFFLINE
Bronze Member
manfy replied on Sat, Dec 5 2020 3:48 PM

Well, yeah. But I still don't like it.

I crunched some numbers:
The manual claims your unit has an idle consumption of 25W. At 240V that makes some 100mA in the mains line. The power amp will probably need 200mA idle current at 31VDC, which translates into 20+ mA in the mains line. So that leaves 80mA for the 15V transformer; roughly 1.2A at 15VDC.

You're measuring 14 ohms of pure ohmic resistance in normal state; that means >1A. In the circuit diagram I see no immediate justification for such a low ohm value. Once you power on, all transistors on that rail will come on - and that's what draws the real idle current. Additionally on power on all caps will be charged and you see a rush-in current that's 3-5 times above the static value -- at least for the first 50-100msec.
That goes beyond the limit of the power supply. No designer in his right mind would overlook this. If anything, B&O designers would choose a bigger safety margin than no-name makers.

The 400 ohms on TP15 that you measured on the donor unit would make me feel much better. But it's your Beomaster and your choice: Do you prefer to see smoke (and I mean that literally) or would you prefer to do more offline testing first?
The problem with "smoke" is not really just another dead component, but what kind of damage this might do to other parts of the BM1900.

Andreas
Not Ranked
Vienna
Posts 72
OFFLINE
Bronze Member
Andreas replied on Sat, Dec 5 2020 4:46 PM

I see, of course i wouldnt want anything to blow. I would like to tell you a big thank you for going through this with me step by step. If possible i would like to send you a good austrian wine for your effort :)

Do you have an idea which components i could check next ? I am thinking if there could maybe be a blown fuseable resistor around TP15.

I also discovered a resistor soldered on the bottom board between TR31 Base and TR30 Emitter on the donor unit. I guess this is a newer updated BM. Maybe this has something to do with the different readings from both units ? 

Page 1 of 2 (49 items) 1 2 Next > | RSS