Sign in   |  Join   |  Help
Untitled Page

ARCHIVED FORUM -- March 2012 to February 2022
READ ONLY FORUM

This is the second Archived Forum which was active between 1st March 2012 and 23rd February 2022

 

Beomaster 1200 - thumb when input set L

rated by 0 users
This post has 4 Replies | 1 Follower

baek47
Not Ranked
Posts 24
OFFLINE
Bronze Member
baek47 Posted: Tue, Feb 16 2021 1:44 PM

I have been renovating my Beomaster 1200. Everything is actually good besides...

1.
When record input is set to L (riaa) I have hum and a unpleasant big "thumb" changing input - any input!
Turning down volume to zero cancel/eliminate the problem... 

When the record input is set to H Theres is no problem at all...

I have changed 4 transistor an 4 capacitors in the riaa section - and cleaned the L/H switch very very good. No improvement..

2.
Second problem....the trafo is noisy when it is mounted…..
not mounted and/or no load, it completely quiet..

Hope for help..

 

 

 

Dillen
Top 10 Contributor
Copenhagen / Denmark
Posts 13,191
OFFLINE
Founder
Moderator
Dillen replied on Tue, Feb 16 2021 5:02 PM

1. A thump sound when switching sources is normal.

2. Check the idle currents. If set too high the transformer will be heavily loaded (and the bottom of the Beomaster 1200 will run warm). 

Martin 

baek47
Not Ranked
Posts 24
OFFLINE
Bronze Member
baek47 replied on Wed, Feb 17 2021 6:55 PM

Thanks Martin (again)

I will accept the tbumb :- ) just strange when it is only in L position....

Idle current is good 7,5 mV.…tge trafo dont go escpecially hot.
I think its mecanical - the bottom plate have been "twisted" a bit, due to what I dont know….

Torben

 

baek47
Not Ranked
Posts 24
OFFLINE
Bronze Member
baek47 replied on Wed, May 12 2021 10:57 AM

Hi

The thumb switching to phono input in LO position is yet too loud.....one day, when I or someone forget to turn volume down to min., it will blow my speakers.

Switching other inputs is good, a nice little thumb is heard :- ) only problem is "to" and "from" phono in LO. Not in HI.

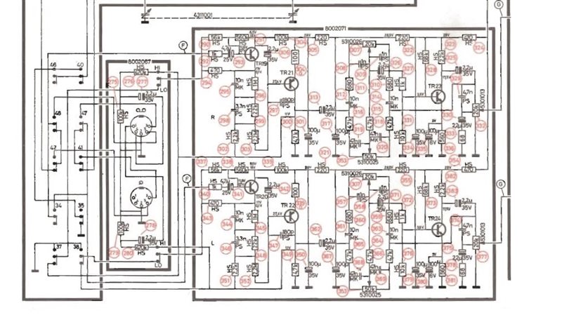
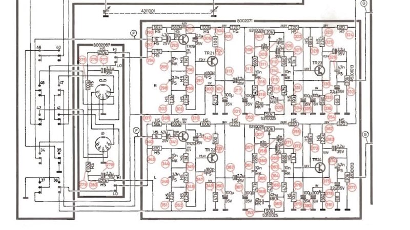
Investigating the schematic I could see that parts of the preampsection has separate L and R "grounds" connected to switch 37/38. And that these, when set LO, are lead to common ground on phono input (switch 37/38). 

When on another input than phono, these two "grounds" are different voltage, ca. 1 v. 
My theory is that when these are connected or disconnected the voltagedifference (amplified in powersection) gives the loud thumb.

Changing/matching transistors 21 and 22 a lot of times has reduced the difference in voltage to ca. 0,2 V - and reduced thumb.

Question: Could I place a large resistor ex. 700K between to two grounds to reduce thumb further?

Regards Torben

 

 

baek47
Not Ranked
Posts 24
OFFLINE
Bronze Member
baek47 replied on Wed, May 12 2021 10:57 AM

Schematic preampsection

 

 

 

 

Page 1 of 1 (5 items) | RSS