ARCHIVED FORUM -- March 2012 to February 2022READ ONLY FORUM
This is the second Archived Forum which was active between 1st March 2012 and 23rd February 2022
Hello,
I have a Beogram CD 5500. I have never you it. I get it as a present few years ago. Working so so. It reads and plays CD but there is no sound on the right channel. I checked cables between boards (the main board and the board with cinches) and it is OK.
From time to time the machine goes off or closes tray by itself. It looks like ghost it the shell or something.
Does anybody have a hint what is need to fix?
Thx
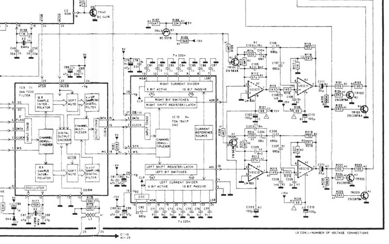
Ok, so I downloaded service manual and find a mute mechanism. I was thinking one of transistor (TR102 or TR103) is broken. But the mute mechanism works fine. Then I was following signal from cinch to the IC11 (Operational amplifier LM833n). I do not have oscilloscope so I was able to measure DC voltage only. I was comparing output of the IC11 to IC12 (the same IC but for left channel which is working). I found the voltage on pin 7 of IC11 is 11.23V, on the same pin of IC12 it is 2.69V. The IC is amplifies signal from TDA 1541. Right channel is pin 6. I was again comparing output of pin 6 to pin 25 (output for left channel). Difference id here too. Pin 6 of TDA is 2.84V, pin 25 is 0V (or very low under 20mV).
Can we say the TDA 1541 is wrong and must be replaced or there can be an issue in the digital part? Or the value I found are normal (I tried to find some info in data sheets but I am not skilled enough to understand it well)?
Check the positive and negative supplies to the OpAmps.It's not uncommon to find a shorted 100uF capacitor and a burned related series resistor.
Martin
First of all, thank you very much for the response Martin... Do I understand correct I should check voltage on pin 4 because burned resistor R126 and shortened C110 can make wrong voltage? My apologies for stupid questions but I have only basic knowledge so I need very specific guidance
Ok, I did the measuring and it looks like Martin was right. IC11 has 0V on pin 4 (negative) instead of -15V. Voltage on R126 is -15,26V and voltage on C110 is 0,67V. I will try to replace both capacitor and resistor and mark the response as an answer if everything works.
Or should I expect some secondary troubles around the operation amplifier?
I replaced C100 and R126 and right channel is working now. Thx Martin!