ARCHIVED FORUM -- March 2012 to February 2022READ ONLY FORUM
This is the second Archived Forum which was active between 1st March 2012 and 23rd February 2022
Hi there,
I am renovating a Beogram 1200 as its a bit stuck at the moment. I have removed and cleaned all bearings of the motor, they were well and truly stuck, moving freely now, but being a complete plonker I forgot to take a picture of how the parts go back togheter.
COuld someone shed some light on this matter please. I have attached an image of the order I think they go on the shaft in.
So...
1. Plastic washer onto shaft
2. Then the brass washer
3. Then the spring (i have a feeling the spring goes on first and then the brass washer
4. Then the brass fittings with felt
5. The brass bearing
6. Finally the plastic cap
Any help would be very appreaciated
Thanks
Matt
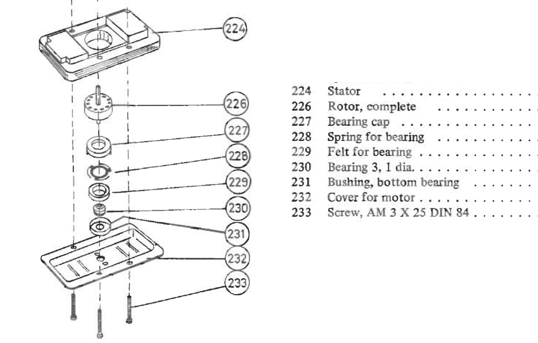
The service manual doesn't say anything about the plastic washer, but yes, the only place where it seems to make sense is between the rotor (226) and the brass bearing (230).
Thanks for getting back
Yeah I saw this diagram, but this is for the other side. I need the opposite side of the rotor.
Cheers
Forgot to mention. I looked at the full page in the manual that shows the top parts, but it seems to be missing quite a few parts.
If fact the diagram looks very different to what I actullay have.
The main brass section is completely missing from the top half of the diagram.
M
MattSquire75:I have removed and cleaned all bearings of the motor, they were well and truly stuck, moving freely now, but being a complete plonker I forgot to take a picture of how the parts go back togheter.
Hi,
I believe cleaning is not enough. You need to lubricate them with a very special technique in order to bring them back to working order.It do not seem to be easy (that's why I haven't tried so far) but if well done is key to restore the player.You should read about that (plenty of threads here on that) before thinking to put it all back together.
Cheers.
Yep I have followed a post about this specific process. Unfortunately the guy who did it did it 4 years ago so was a bit unsure of what order they went in.
All the bearings are running super free and I have lubricated them with sewing machine oil, so that part is working great.
Its jsut putting it back together that is the problem. A rookie mistake not taking pictures.
MattSquire75: Forgot to mention. I looked at the full page in the manual that shows the top parts, but it seems to be missing quite a few parts.
Yes, the complete motor/gear assembly you see on page 24 doesn't seem to have a top bearing. You can find that on page 21, pos 101: "Bearing housing with top bearing". But the design looks quite different from your brass bearing pos. 230. And according to the service manual, there's only one place that holds a felt ring -- and that's below the rotor.
Yes its very strange indeed. The top section of the rotor shows no bearing at all?
I am pretty sure that no one has touched this machine before so I cant imagine that anyone has added extra parts.
Hmm, strange strange strange
Could this help?
https://archivedforum2.beoworld.org/forums/t/10293.aspx
Martin
Hi martin, thanks for the mail
Yep this is the thread I have been reading, however I emailed the guy to ask but unfortunately he did this 4 years ago so he couldnt quite remember the order of things. Which is to be expected.
THanks though
MattSquire75: Yes its very strange indeed. The top section of the rotor shows no bearing at all?
I'm sure there's something there. It's just hard to spot the top bearing in those drawings. (On page 15 you see a jig for centering the rotor in the stator. So there must be some movable adjustment thinggy on the frame where you mount the motor!)
Actually, pos 101 on page 21 is probably the top bearing for the record spindle and not the motor.Don't get hung up by the way the parts are drawn in the service manual. For instance, the bracket in your picture cannot be found anywhere in the manual. I guess it is the base cover for the motor (232) from my first post. The manual writers probably didn't update they drawings for every little design change that may have happened over the years.
Just look at those exploded views as a description of the concept, then look at the parts you have and figure out how those parts can create an assembly with the same function as the assembly in the drawing.
[cross-posted]
Hi there guys, seems like I was being a bit of a plonker. And I had it in my head that the spring was connected to the rotor in some way.
I think, if I have this correct, the spring and brass washer actually belonged on the brass spindle to the right of the rotor. This would make complete sense as it is used as a tension holder to the brass fixture.
Guys, I want to thank you all for your help, this has taught me a lesson, but its bean a learning curve and thanks for leading me int he right directions.
No doubt I will have other questions along my journey.
Thanks again and stay safe.
Exactly.
Now infuse fresh sinter oil into the bearings and don't forget to add some of the same oil to the felt reservoirs.
FAntastic,
Tried a little test run, its all turning but the turntable is turning very slowly indeed. I guess i just need to double check all the oil and try agian